Analog Devices / Maxim Integrated MAX17662 Synchroner DC/DC-Abwärtswandler

Der Maxim MAX17662 synchrone DC/DC-Abwärtswandler wird mit integrierten MOSFETs geliefert und über einen Eingangsspannungsbereich von 3,5 V bis 36 V betrieben. Der Wandler kann einen Strom von bis zu 2 A liefern. Die Ausgangsspannung ist von 0,6 V bis zu 90 % VIN programmierbar. Eine integrierte Kompensation für den Ausgangsspannungsbereich beseitigt die Notwendigkeit für externe Komponenten. Der MAX17662 verfügt über eine Spitzenstrommodus-Steuerungsarchitektur. Der MAX17662 kann im erzwungenen Pulsbreitenmodulations(PWM)- oder diskontinuierlichen Leitungsmodus (DCM) betrieben werden, um einen hohen Wirkungsgrad bei Volllast- und Leichtlastbedingungen zu ermöglichen. Der MAX17662 bietet eine minimale Einschaltzeit, die höhere Schaltfrequenzen und eine kleinere Lösungsgröße ermöglicht. Die Rückkopplungs-Spannungsregelungsgenauigkeit über -40 °C bis +125 °C liegt bei ±1,33 %. Das Bauteil ist in einem 16-Pin-TQFN-Gehäuse (3 mm x 3 mm) erhältlich.

Merkmale

  • Reduziert die Anzahl externer Komponenten und die Gesamtkosten
    • Kein Synchronisationsbetrieb durch Schottky
    • Integrierte Kompensationskomponenten
    • Vollkeramik-Kondensatoren, kompaktes Layout
  • Verringert die Anzahl der zu lagernden DC/DC-Regler
    • Großer Eingangsbereich von 3,5 V bis 36 V
    • Ausgangsspannungsbereich einstellbar von 0,6 V bis 90 % VIN
    • Liefert bis zu 2 A über den Temperaturbereich
    • Einstellbare Frequenz: 400 kHz bis 2,2 MHz
    • Erhältlich in einem 16-Pin-TQFN-Gehäuse von 3 mm x 3 mm
  • Reduziert die Verlustleistung
    • Spitzenwirkungsgrad von 95 %
    • DCM-Modus ermöglicht einen erweiterten Wirkungsgrad bei niedriger Last
    • Großer Bootstrap-Bias-Eingang (EXTVCC) von 2,4 V bis 12 V für einen verbesserten Wirkungsgrad
    • Abschaltstrom: 6,5 μA
  • Zuverlässiger Betrieb in widrigen Industrieumgebungen
    • Hiccup-Modus-Überlastschutz
    • Verstellbares und monotones Einschalten mit vorgespannter Ausgangsspannung
    • Eingebaute Ausgangsspannungsüberwachung mit RESET
    • Programmierbarer EN-/UVLO-Schwellenwert
    • Übertemperaturschutz
    • Hoher Industrie-Umgebungsbetriebstemperaturbereich von -40 °C bis +125 °C/Sperrschichttemperaturbereich von -40 °C bis +150 °C

Applikationen

  • Netzteile für die Industriesteuerung
  • Universal-Punktlast
  • Verteilte Versorgungsregelung
  • Netzteile für Basisstation
  • Regelung des Wandtransformators
  • Hochspannungs-Einzelboardsysteme

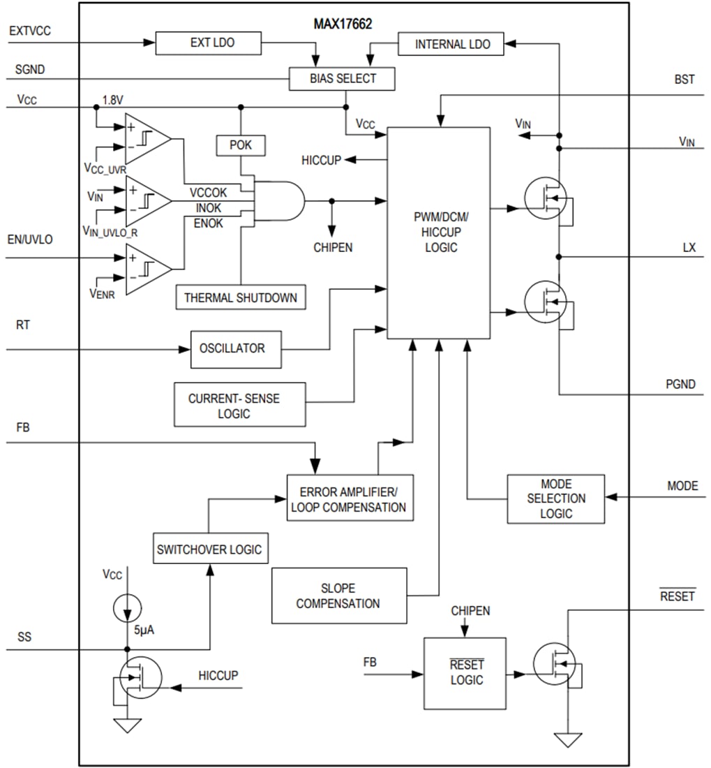
Blockdiagramm

Blockdiagramm - Analog Devices / Maxim Integrated MAX17662 Synchroner DC/DC-Abwärtswandler
Veröffentlichungsdatum: 2019-12-12 | Aktualisiert: 2023-05-08