Analog Devices / Maxim Integrated MAX1769x Isolierte Sperrwandler ohne Optokoppler
Analog Devices Inc. MAX1769x Isolierte Sperrwandler ohne Optokoppler sind Sperrwandler mit hohem Wirkungsgrad, die eine Festfrequenz-Spitzenstrommodussteuerung verwenden. Diese Bauteile erkennen die isolierte Ausgangsspannung direkt von der primärseitigen flyback-waveform während der Leitung des sekundärseitigen Gleichrichters. Der MAX1769x verfügt über einen integrierten nMOSFET-Primärschalter mit niedrigem RDSON, 76 V und 205 mΩ. Diese Sperrwandler sind für den Betrieb über einen Versorgungsspannungsbereich von 4,2 V bis 60 V ausgelegt. Die MAX1769x Wandler bieten einen programmierbaren Schaltfrequenzbereich von 100 kHz bis 350 kHz und einen EN/UVLO, der das Ein-/Ausschalten des Leistungswandlers genau bei der gewünschten Eingangsspannung ermöglicht.Der MAX1769x von ADI unterstützt eine externe Taktsynchronisierung, um Niederfrequenzschläge auf dem Eingangsbus in Systemen mit mehreren Wandlern zu vermeiden. Diese Bauteile verfügen über ein programmierbares Frequenz-dithering für einen Frequenzspreizungsbetrieb mit niedriger EMI. Die MAX1769x Wandler ermöglichen eine Temperaturkompensation für Änderungen des Durchlass-Spannungsabfalls der Ausgangsgleichrichterdiode. Diese Wandler verfügen über einen robusten hiccup-Schutz, einen thermischen Schutz und arbeiten in einem Temperaturbereich von -40 °C bis 125 °C. Zu den typischen Applikationen gehören isolierte Netzteile, Industrie- und Telekommunikationsapplikationen, PLC-I/O-Module und IGBT-gate-drive-Versorgungen.
Merkmale
- Reduziert die Anzahl externer Komponenten und die Gesamtkosten:
- Eliminiert den optocoupler und sekundärseitigen Fehlerverstärker
- Bis zu 20 % Platzersparnis
- 76 V und integrierter MOSFET mit niedrigem RDS (ON)
- Interne Schleifenkompensation (MAX17691A)
- Integrierter soft-start
- Reduziert die Verlustleistung
- 90 %% Wirkungsgrad
- Liefert bis zu 7,5 W Ausgangsleistung
- Frequenz-Foldback ermöglicht einen verbesserten Wirkungsgrad bei geringer Last
- Unterstützt die wichtigsten Design-Anforderungen auf Systemebene:
- Frequenz-dithering unterstützt einen Frequenzspreizungsbetrieb mit niedriger EMI
- Schaltfrequenzsynchronisierung
- Konform mit EMI-Anforderungen gemäß CISPR22 Klasse B
- Zuverlässiger Betrieb in widrigen Umgebungen
- Optionale Ausgangsspannungs-Temperaturkompensation
- Hiccup-Strombegrenzungsschutz
- Programmierbarer EN/UVLO-Schwellenwert
- Eingangs-Überspannungsschutz (OVI) (MAX17691A)
- Übertemperaturschutz
Applikationen
- Isolierte Netzteile
- PLC-I/O-Module
- IGBT-gate-drive-Versorgungen
- Applikationen in der Industrie und Telekommunikation
Technische Daten
- Betriebstemperaturbereich -40 °C bis 125 °C Umgebungstemperatur
- -40 °C bis 150 °C Sperrschichttemperaturbereich
- 4,2 V bis 60 V Versorgungsspannungsbereich
- 2,5 µA Abschaltstrom
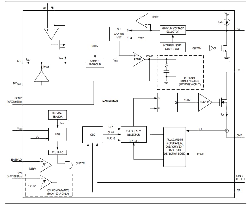
Blockdiagramm
Typische Applikations-Schaltung
