Analog Devices Inc. MAX20029x Automotive-PMICs
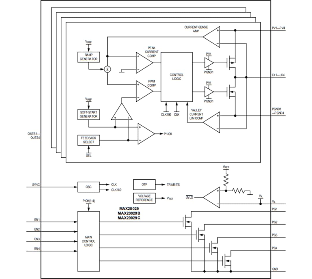
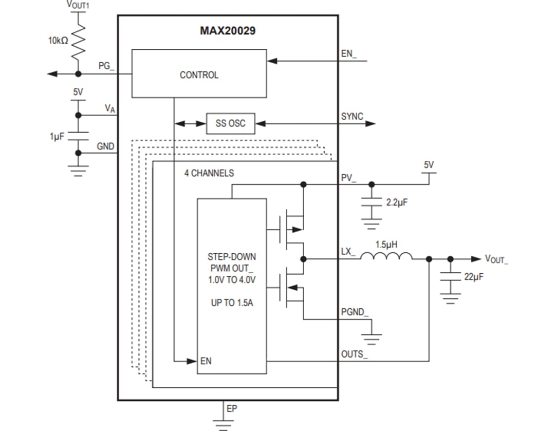
Analog Devices Inc. MAX20029x Automotive-PMICs (Power-Management-ICs) enthalten vier DC/DC-Abwärtswandler mit niedriger Spannung und hohem Wirkungsgrad. Jeder der vier Ausgänge ist werkseitig oder widerstandsprogrammierbar zwischen 0,7 V und 4,0 V. Der MAX20029 verfügt über vier 1,5-A-Kanäle. Der MAX20029B verfügt über zwei 1,5-A-/3,0-A-Kanäle. Der MAX20029C verfügt über vier 1,5-A-Kanäle mit niedriger VOUT bis zu 0,7 V. Der MAX20029D verfügt über zwei Kanäle von 0,5 A / 1,5 A und durch die Kombination der Kanäle 1 und 2 einen einzelnen Kanal von 2 A / 3 A. Diese PMICs werden von 3,0 V bis 5,5 V betrieben und eignen sich daher hervorragend für Punktlast(PoL)-Fahrzeuganwendungen und Nachregelungs-Applikationen.Die MAX20029, MAX20029B, MAX20029C und MAX20029D verfügen über einen Festfrequenz-PWM-Modusbetrieb mit einer Schaltfrequenz von 2,2 MHz. Der Hochfrequenzbetrieb ermöglicht ein Vollkeramikkondensator-Design und kleine externe Komponenten. Die On-Chip-Schalter mit niedrigem Widerstand gewährleisten einen hohen Wirkungsgrad bei hohen Lasten und reduzieren gleichzeitig kritische Induktivitäten, wodurch das Layout zu einer viel einfacheren Aufgabe in Bezug auf diskrete Lösungen wird. Die interne Strommessung und die Schleifenkompensation reduzieren den Boardplatz und die Systemkosten.
Die PMICs bieten eine Frequenzspreizungsoption zur Reduzierung von abgestrahlten Emissionen. Zwei der vier Abwärtswandler werden mit einem internen Taktgeber bei 180 ° phasenversetzt betrieben. Diese Funktion reduziert die erforderliche Eingangskapazität und verbessert zudem die EMI. Alle vier Abwärtswandler arbeiten im konstanten PWM-Modus außerhalb des AM-Bands. Die PMICs bieten einen SYNC-Eingang zur Synchronisierung mit einem externen Taktgeber.
Die MAX20029, MAX20029B, MAX20029C und MAX20029D bieten individuelle Freigabeeingänge und Power-Good-/Reset-Ausgänge sowie werkseitig programmierbare PG-Zeiten.
Diese Bauteile bieten mehrere wichtige Schutzfunktionen, einschließlich Eingangsüberspannungsschutz, Eingangsunterspannungssperre, Zyklus-für-Zyklus-Strombegrenzung und Übertemperaturabschaltung. Die MAX20029, MAX20029B, MAX20029C und MAX20029D PMICs sind in einem 28-Pin-TQFN-Gehäuse mit einem freiliegenden Pad verfügbar und für Fahrzeuganwendungen AEC-Q100-qualifiziert.
Merkmale
- Vierkanal-DC/DC-Abwärtswandler mit integrierten FETs
- MAX20029: bis zu vier 1,5-A-Kanäle
- MAX20029B, MAX20029D: bis zu einem 3-A-Kanal + zwei 1,5-A-Kanäle
- MAX20029C: bis zu vier 1,5-A-Kanäle mit niedriger VOUT von 0,7 V
- 3,0 V bis 5,5 V Eingangsspannungsbereich
- Feste oder einstellbare Ausgangsspannung: 1,0 V bis 4,0 V
- Schaltfrequenz: 2,2 MHz
- Zur Verbesserung der Automotive-EMI-Leistung ausgelegt
- Erzwungener PWM-Betrieb
- Zwei 180°-phaseverschobene Kanäle
- SYNC-Eingang
- Frequenzspreizungsoption
- Soft-Start und Versorgungssequenzierung reduziert den Einschaltstrom
- Individuelle Freigabeeingänge und Power-Good-Ausgänge für eine einfachere Sequenzierung
- OV-Eingangsspannungsüberwachung
- Übertemperaturschutz und Kurzschluss-Sicherung
- Betriebstemperaturbereich: -40 °C bis +125 °C
- TQFN-EP-28-Gehäuse (5,0 mm × 5,0 mm x 0,8 mm)
- AEC-Q100-qualifiziert
- Bleifrei und RoHS-konform
Applikationen
- Punktlast-Fahrzeuganwendungen (PoL)
- Verteilte DC-Leistungssysteme
Typische Applikations-Schaltung
Blockdiagramm
