Analog Devices Inc. MAX20030/1 Automotive-Abwärtsregler
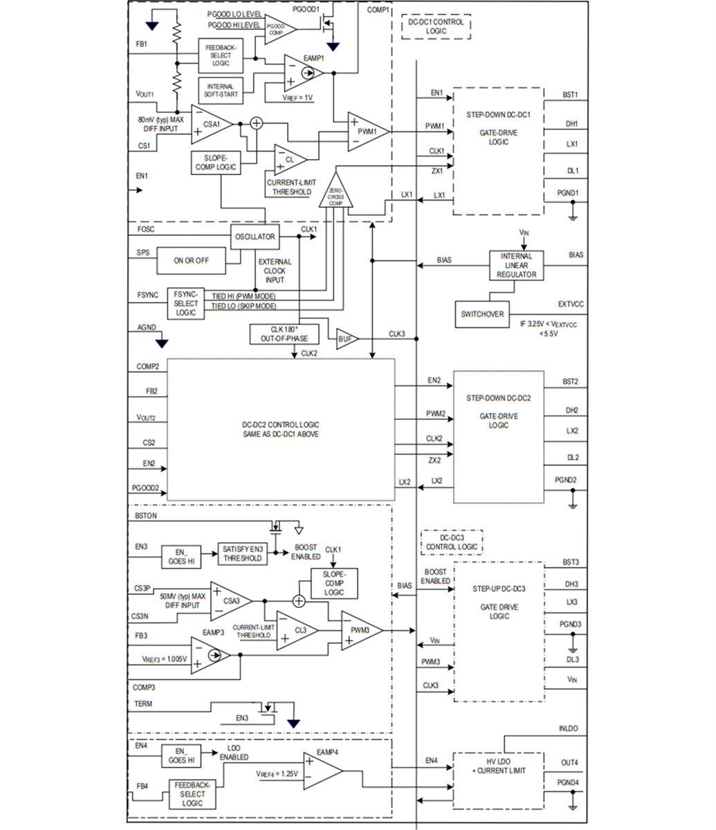
Analog Devices Inc. MAX20030 und MAX20031 Automotive-Abwärtsregler sind doppel-synchrone Abwärtsregler von 2,2 MHz mit integriertem Vorverstärkungsregler und LDO mit einem niedrigen IQ. Der Vorverstärkungs-Regler ermöglicht es, dass VOUT1 und VOUT2 während des Kaltstart-Betriebs bis zu einem Batterieeingang von 2 V reguliert bleiben. Die MAX20030 und MAX20031 bieten zwei Hochspannungs-Synchronabwärtsregler, die 180 ° phasenverschoben arbeiten. Diese Bauteile arbeiten mit einer Eingangsspannung von 3,5 V bis 42,0 V und können unter Dropout Bedingungen mit einem Tastverhältnis von 97 % betrieben werden. Diese Abwärtsregler eignen sich hervorragend für Applikationen mit mittleren bis hohen Leistungsanforderungen, die in einem großen Eingangsspannungsbereich, wie z. B. während Automotive-Kaltstart- oder Motor-Stopp-Start-Bedingungen, betrieben werden.Die MAX20030 und MAX20031 Abwärtsregler arbeiten mit einer Frequenz von bis zu 2,2 MHz, wodurch durch die Verwendung von kleinen externen Komponenten, die Reduzierung der Ausgangswelligkeit und die Beseitigung von AM-Band-Interferenzen ermöglicht wird. Die Schaltfrequenz ist widerstandseinstellbar von 220 kHz bis 2.200 kHz. Die Programmierbarkeit des SYNC-Eingangs ermöglicht drei Frequenzmodi für optimierte Leistung: erzwungener Festfrequenzbetrieb, Skip-Modus mit ultra-niedrigem Ruhestrom und Synchronisation mit einem externen Taktgeber. Diese Bauteile haben einen Frequenzspreizungs-Pin für die Frequenzmodulation, um eine EMI-Störung zu reduzieren.
Die MAX20030 und MAX20031 Modelle verfügen über einen Power-OK-Monitor sowie eine Überspannungs- und Unterspannungssperre. Schutzfunktionen umfassen eine Strombegrenzung pro Zyklus und eine thermische Abschaltung. Diese Abwärtsregler werden in einem thermisch verbesserten TQFN48-Gehäuse mit einem freiliegenden Pad angeboten.
Merkmale
- Erfüllt die strengen OEM-Spezifikationen für Stromverbrauch und Leistung der Module
- 17 µA IQ mit eingeschaltetem 3,3-V-Abwärtsregler
- 25 µA IQ mit eingeschaltetem 5-V-Abwärtsregler
- 25 µA IQ mit eingeschaltetem LDO
- 65 µA IQ mit allen aktivierten Controllern
- Ermöglicht Kaltstart-fähige Designs mit einem synchronen Aufwärtswandler für eine hohe Strombelastbarkeit und einen hohen Wirkungsgrad
- EMI-Reduzierungsfunktionen reduzieren die Störung mit empfindlichen Funkbändern, ohne den großen Eingangsspannungsbereich zu beeinträchtigen
- Minimale Einschaltdauer von 50 ns (typisch) gewährleistet einen überspringungsfreien Betrieb für einen Ausgang von 3,3 V von einer Autobatterie bei 2 MHz
- Erzwungener Festfrequenz-PWM-Betrieb
- Widerstands-programmierbare Frequenz zwischen 220 kHz und 2 MHz
- Pin-wählbare Frequenzspreizung
- Integration und thermisch verbesserte Gehäuse sparen Boardplatz und Kosten
- Dualer 2,2-MHz-Abwärtsregler mit synchronem Boost Controller und 200-mA-HV-LDO
- Regler im Strommodus mit erzwungener fester Frequenz und Skip-Modi
- Thermisch verbessertes 48-Pin-TQFN-Gehäuse mit freiliegendem Pad von 7 mm x 7 mm
- Schutzfunktionen verbessern Zuverlässigkeit des Systems.
- Versorgungs-Überspannungs- und Unterspannungssperre
- Übertemperaturschutz und Kurzschluss-Sicherung
Applikationen
- Kombiinstrumente
- Verteilte DC-Leistungssysteme
- Navigationsgeräte und Radio Head Unit
Blockdiagramm
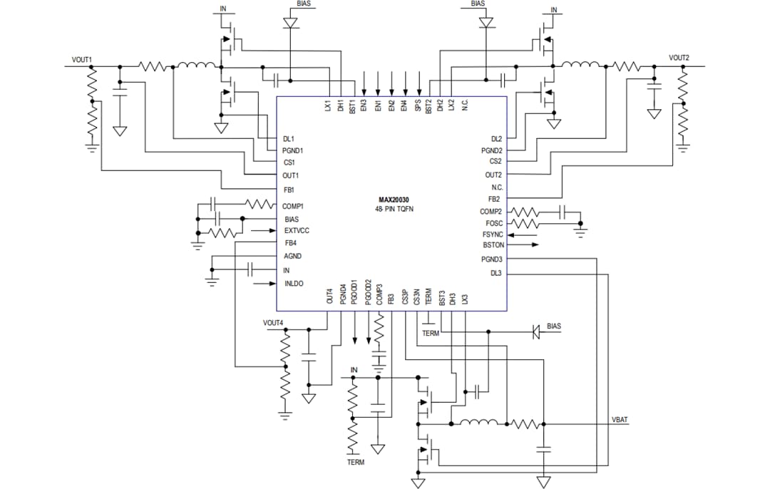
Typische Applikations-Schaltung
