Analog Devices / Maxim Integrated MAX20336EVKIT Evaluierungskit
Das Maxim Integrated MAX20336 Evaluierungskit dient zur Demonstration des MAX20336 Beyond-the-Rails-DPST-Analogschalters. Diese vollständig bestückte und getestete Leiterplatte enthält den installierten MAX20336ENT+. Das Kit kann den VCCEN-Pin des IC von unterschiedlichen Quellen betreiben. Der IC kann extern vom TP12 auf dem MAX20336 Kit betrieben werden.Merkmale
- USB-Leistungsoption
- SMA-Verbindung zum Testen
- Bewährtes PCB-Layout
- Vollständig bestückt und getestet
Lieferumfang Kit
- EV-Kit-Board mit einem MAX20336 IC-Bauteil
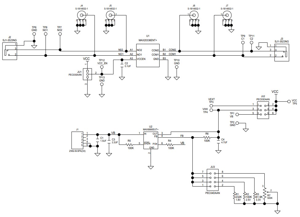
Schaltplan
Veröffentlichungsdatum: 2019-04-25
| Aktualisiert: 2023-04-19
