Analog Devices / Maxim Integrated MAX20446C Automotive-Sechskanal-Hintergrundbeleuchtungstreiber
Der Analog Devices Inc. MAX20446C Automotive-Sechskanal-Hintergrundbeleuchtungstreiber wird mit einem Boost-Controller für Automotive-Displays und integrierten Stromausgängen geliefert, die jeweils einen LED-Strom bis zu 130 mA ableiten können. Der ADI MAX20446C ermöglicht einen großen Eingangsspannungsbereich von 4,5 V bis 36 V und ist gegen direkte Automotive-Lastabwurf-Ereignisse beständig. Der interne stromschaltende DC/DC-Controller unterstützt Boost- oder SEPIC-Topologien und arbeitet in einem Frequenzbereich zwischen 400 kHz bis 2,2 MHz. Die integrierte Frequenzspreizung sorgt für eine Reduzierung von EMI. Ein adaptives Schema zur Regelung der Ausgangsspannung reduziert die Verlustleistung in den LED-Stromsenkenpfaden.Merkmale
- Betrieb mit großem Spannungsbereich
- Wird nach dem Einschalten mit einer Versorgungsspannung von bis zu 4 V betrieben
- Übersteht einen Lastabwurf von bis zu 52 V
- Hohe Integration
- Eine vollständige Lösung mit 6 Kanälen, einschließlich Boost Controller
- Alle Einstellungen werden mit externen Komponenten ausgeführt, ein Eingreifen des Mikrocontrollers ist nicht erforderlich
- Robuste und niedrige EMI
- Frequenzspreizungs-Oszillator
- Phasenverschiebung
- Schaltfrequenzbereich: 400 kHz bis 2,2 MHz
- Vielseitige Verdunkelungssteuerung ermöglicht eine Hybrid- oder Nur-PWM-Verdunkelung
- Verdunkelungsverhältnis: > 10.000:1 mit Hybrid-Verdunkelung
- Verdunkelungsverhältnis: 10.000:1 bei 200 Hz mit PWM-Verdunkelung
- Vollständiger Fehlerschutz
- Erkennung und Schutz offener LED/Kurzschluss
- Aufwärtsausgangs-Unterspannungs- und Überspannungsschutz
- Thermische Abschaltung
- Kompaktes 24-Pin-TQFN-Gehäuse von 4 mm x 4 mm
Applikationen
- Infotainment-Displays
- Zentrale Informationsdisplays
- Kombiinstrumente
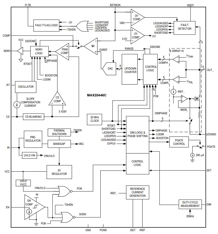
Blockdiagramm
Veröffentlichungsdatum: 2021-04-13
| Aktualisiert: 2023-04-13
