Analog Devices / Maxim Integrated MAX20457 Evaluierungskit
Das Analog Devices Inc. MAX20457 Evaluierungskit ist eine vollständig bestückte und getestete Applikations-Schaltung, die die Evaluierung des MAX20457 2,1-MHz-Abwärtswandlers vereinfacht. Der ADI MAX20457 arbeitet mit einer Eingangsspannungsversorgung von 3,5 V bis 36 V und ist in Dropout-Bedingungen bei einem Tastverhältnis von 95 % funktionsfähig. Alle installierten Bauelemente sind für den Automotive-Temperaturbereich ausgelegt und verschiedene Testpunkte und Steckbrücken sind enthalten.Das MAX20457 Evaluierungskit von Analog Devices wird mit dem installierten MAX20457ATIE/VY+ (5 V, 3,3 V, 2,1 MHz) geliefert. Das Kit kann auch zur Evaluierung anderer MAX20457-Ausführungen mit minimalen Bauelementenänderungen verwendet werden.
Merkmale
- Dual-Hochspannungs-Abwärtswandler mit integrierten Leistungs-FETs zur Reduzierung der Boardflächen-Belegung
- Eingangsversorgungsbereich: 3,5 V bis 40 V
- Buck1 bietet einen Ausgang mit einem Ausgangsstrom von 5 V bis zu 3,5 A
- Buck2 bietet einen Ausgang mit einem Ausgangsstrom von 3,3 V bis zu 2 A
- Buck-Ausgangsspannungen zwischen 1 V und 14 V mit externen Widerständen einstellbar
- ±2 % Ausgangsspannungsgenauigkeit für Abwärtswandler
- Wählbare Buck2-Eingangsquelle
- Eingang für Frequenzsynchronisierung
- Unabhängige Freigabeeingänge
- PGOOD-Ausgänge zur Spannungsüberwachung
- Steckbrücken und Testpunkte auf den Schlüsselknoten für eine vereinfachte Evaluierung
- Bewährtes PCB-Layout
- Vollständig bestückt und getestet
Erforderliche Ausrüstung
- MAX20457 Evaluierungskit
- DC-Netzteil (PS1) von 15 V, 7 A
- Zwei Voltmeter (VM1 und VM2)
- Zwei elektronische Lasten (EL1 und EL2)
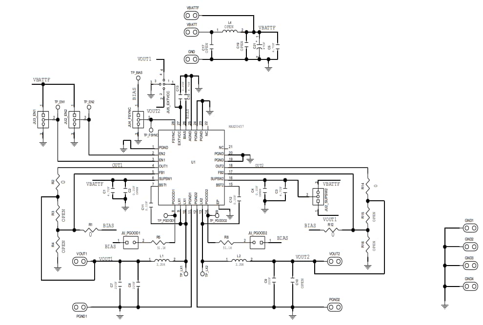
Schaltplan
Veröffentlichungsdatum: 2021-02-08
| Aktualisiert: 2023-04-14
