Analog Devices Inc. MAX20463 Automotive-USB-Typ-A-zu-Typ-C-Wandler
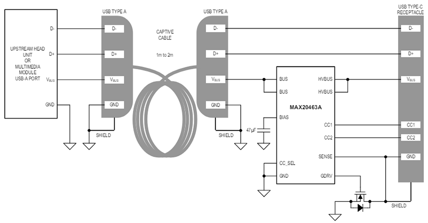
Analog Devices MAX20463 Automotive-USB-Typ-A-zu-Typ-C-Wandler werden zur Umwandlung eines vorhandenen, unverlierbaren USB-A-Kabelanschlusses der Haupteinheit zu einem unverlierbaren USB Type-C ™ -Kabelanschlusses der Haupteinheit verwendet. Die MAX20463 Bauteile sind für Automotive-Module ausgelegt. Am Ende des Kabels kann eine bereits vorhandene, vorgeschaltete USB-A-Lösung und eine unverlierbare USB-A-Kabelhülle wieder verwendet werden. Die Schutzfunktionen des Bauteils umfassen ESD von ±15 kV/±8 kV gemäß IEC 61000-4-2 auf CC1/CC2 und IEC ESD mit Kurzschluss-zu-Batterie (18 V) auf SENSE/HVBUS. Der MAX20463A erkennt einen Kurzschluss der Kabelabschirmung zu einer Autobatterie auf der Beifahrerseite und verhindert somit eine Beschädigung des Anschlusses.Darüber hinaus sind Kurzschluss-zu-Masse- und Kurzschluss-zu-Batterie-Schutzfunktionen auf dem HVBUS-Signal enthalten, die so eingestellt sind, dass sie in Übereinstimmung mit dem bestehenden USB-A-Ladegerät/Schutzeinrichtung der Haupteinheit arbeiten. Dies ermöglicht eine koordinierte Fehlererkennung und Meldung an den USB-Host der Haupteinheit. Das Bauteil ist mit der USB-Typ-C-Spezifikation konform.
Der MAX20463 von ADI ist in einem kleinen 12-Pin-TDFN-Gehäuse von 3 mm x 3 mm erhältlich, das nur wenige externe Komponenten benötigt.
Merkmale
- USB Type-C R1.3 Einhaltung mit integrierter VBUS -Entladung
- USB Type-C 1.5 A und 3.0 A DFP Regler
- Reduzierung der Type-C-Strombegrenzung mit VBUS -Dropout
- Für einen zusammenwirkenden Schutz mit einer Haupteinheits-Schutzeinrichtung ausgelegt
- Kurzschluss-zu-Batterie- und Erdschluss-Schutzfunktionen auf HVBUS für die Verwaltung durch die vorgeschaltete Schutzeinrichtung
- Genauer Schwellenwert für USB-BUS-Durchlassstrom
- USB-Leistungsschalter mit niedrigem RON von 28 mΩ (typisch)
- AEC-Q100-qualifiziert
- Das robuste Design sorgt für die Sicherheit von Fahrzeugsystemen und tragbaren Geräten in Automotive-Umgebungen.
- Optionale Erkennung von Kurzschlüssen zwischen Abschirmung und Batterie und externe FET-Steuerung
- Kurzschluss-zu-BUS-Sicherung auf geschützten CC1- und CC2-Ausgängen
- IEC 61000-4-2 Level-4 ESD-Schutz (HVBUS, CC1, CC2, SENSE)
- 12-Pin-TDFN-Gehäuse von 3 mm x 3 mm
- -40 °C bis +105 °C Betriebstemperaturbereich
Applikationen
- Nachgeschaltete USB-Automotive-Module
- Unverlierbare Automotive-USB-Kabelhülle
Vereinfachtes Blockdiagramm
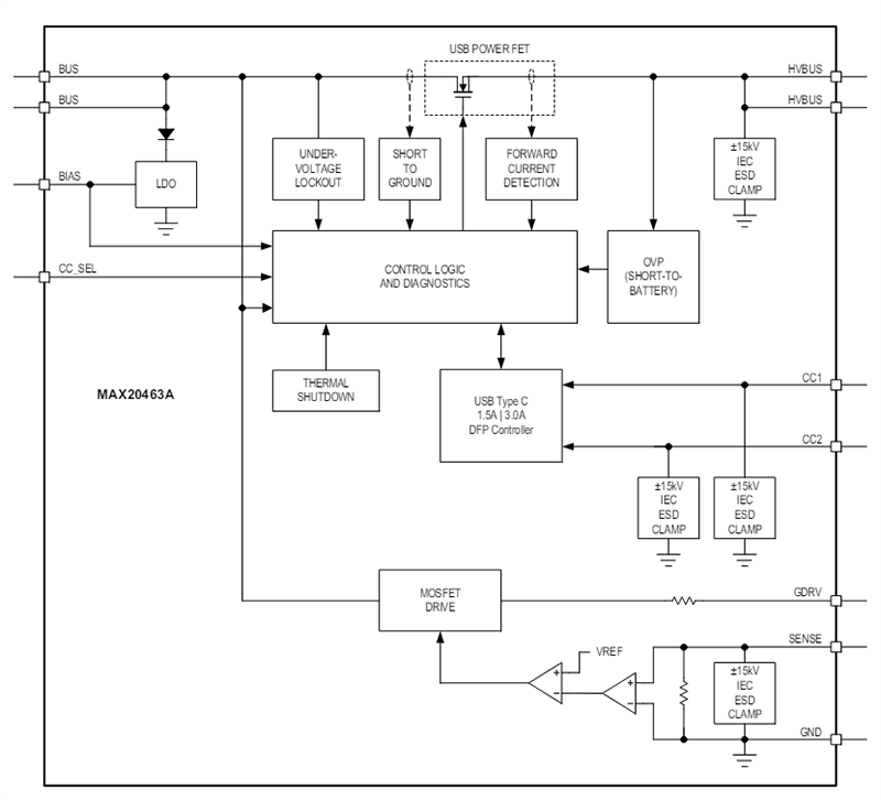
Funktionales Blockdiagramm
Veröffentlichungsdatum: 2020-06-08
| Aktualisiert: 2024-05-29
