Analog Devices / Maxim Integrated MAX22200 Solenoid- und Motortreiber

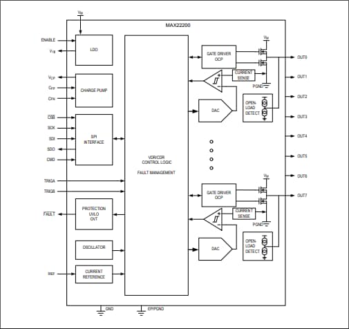
Der Analog Devices Inc. MAX22200 Solenoid- und Motortreiber ist ein seriell gesteuerter oktaler 36-V-Solenoid-Treiber. Der ADI MAX2220 verfügt über jeden Kanal mit einer Push-Pull-Ausgangsstufe mit niedriger Impedanz (200 mΩ, typisch). Das Bauteil verfügt über eine Senken- und Quellen-Ansteuerungsfunktion mit einem Antriebsstrom von bis zu 1 ARMS. Die serielle Schnittstelle (SPI) unterstützt Verkettungskonfigurationen, die zur individuellen Steuerung der einzelnen Kanäle bereitgestellt werden. Die Bauteil-Halbbrücken sind als Low-Side- oder High-Side-Treiber konfiguriert. Darüber hinaus können Halbbrücken-Paare parallelgeschaltet werden, um den Antriebsstrom zu verdoppeln oder als Vollbrücken zum Antrieb von bis zu vier verriegelten Ventilen (bistabile Ventile) oder vier DC-Bürstenmotoren konfiguriert werden.

Merkmale

  • Acht Halbbrücken von bis zu +36 V
  • Hohe Leistung
    • Niedriger ON-Widerstand: RDS (on) von 200 mΩ (TA = +25 °C) (typisch)
    • Dauerausgangsstrom von bis zu 1 ARMS pro Halbbrücke (TA = +25 °C)
    • Stromantriebsregelung (CDR)
    • Spannungsantriebsregelung (VDR)
    • Integrierte verlustfreie Strommessung (ICS)
  • Hohe Flexibilität
    • Unabhängige programmierbare HIT- und HOLD-Ströme für jeden Kanal (IHIT, IHOLD)
    • Unabhängiges programmierbares HIT-Stromtiming für jeden Kanal (tHIT)
    • Unterstützung für Vollbrücken-Konfiguration
    • Unterstützung für parallelgeschalteten Modus
  • Serielle Hochgeschwindigkeits-Schnittstelle (SPI)
  • Verkettungskonfiguration von 5 MHz
  • 10 MHz ohne Verkettung
  • Schutz und Diagnose
    • Überstromschutz (OCP)
    • Erkennung von offener Last (OL)
    • Erkennung der Kobelbewegung (DPM)
    • Unterspannungssperre (UVLO)
    • HIT-Strom nicht erreicht (HHF)
    • Thermische Abschaltung T = +145 °C (TSD)
    • Fehlerregister für Diagnosezwecke
  • Integration:
    • TQFN-32-Gehäuse, 5 x 5 mm

Applikationen

  • Relais-Treiber
  • Solenoid, Ventile, elektromagnetische Treiber
  • Generische Low-Side- und High-Side-Schalterapplikationen
  • Verriegelte (bistabil) Solenoid-Ventiltreiber
  • DC-Bürstenmotortreiber

Blockdiagramm

Blockdiagramm - Analog Devices / Maxim Integrated MAX22200 Solenoid- und Motortreiber

Videos

Veröffentlichungsdatum: 2021-05-04 | Aktualisiert: 2023-04-13