Analog Devices / Maxim Integrated MAX25255 Synchrone Abwärtswandler

Die Analog Devices MAX25255 synchronen Abwärtswandler sind Dual-Abwärtswandler mit integrierten High-Side- und Low-Side-Schaltern. Diese ICs liefern bis zu 8 A pro Kanal mit Eingangsspannungen von 3 V bis 36 V. Die Bauteile verwenden nur einen Ruhestrom von 12 μA bei Nulllast. Die Spannungsqualität wird durch die Beobachtung der PGOOD -Signale überwacht. Der MAX25255 von Analog Devices regelt die Ausgangsspannung im Dropout-Bereich, indem er bei 99 % des Tastverhältnisses betrieben wird.

Merkmale

  • Dual-Abwärtswandler
    • Großer Eingangsbereich von 3,0 V bis 36 V (42 V, max.)
    • Niedriger Abschalt-Versorgungsstrom (6,5 µA, max.)
    • Niedriger Betriebsruhestrom mit einem Kanal eingeschaltet (12 µA, typ.)
    • Programmierbarer VOUT von 0,8 V bis 14 V
    • Bis zu 8 AA pro Kanal
    • Phasenversetzter Betrieb zwischen zwei Wandlern von 180°
    • Minimale Einschaltzeit: 24 ns (typisch)
  • Dual-/Quad-Phasenbetrieb
    • Fähigkeit, zwei ICs parallel für den Vierphasen-Betrieb zu betreiben
    • Stromaufteilungsgenauigkeit: ±10 %
    • Unterstützt bis zu 16 A in zwei Phasen und 32 A in vier Phasen
  • Diagnosefunktionen und redundante Schaltungen (MAX25255)
    • ASIL-B-konform
    • Redundante Referenz
    • Chip-Temperatursensor
    • Präziser Überspannungs- und Unterspannungsschutz
  • Allgemeines
    • 23-Pin-FC2QFN-Gehäuse von 4,50 mm x 5,75 mm
    • Umgebungsbetriebstemperatur: -40 °C bis +125 °C
    • AEC-Q100-Einstufung
    • Schaltfrequenzoptionen: 200 kHz, 400 kHz, 1 MHz oder 2 MHz
    • Frequenzspreizung

Applikationen

  • Frontend-Netzteil für Head-Units
  • ASIL
  • Universal-Dual-Abwärtswandler
  • Telematikmodule
  • Frontkameraleistung

Videos

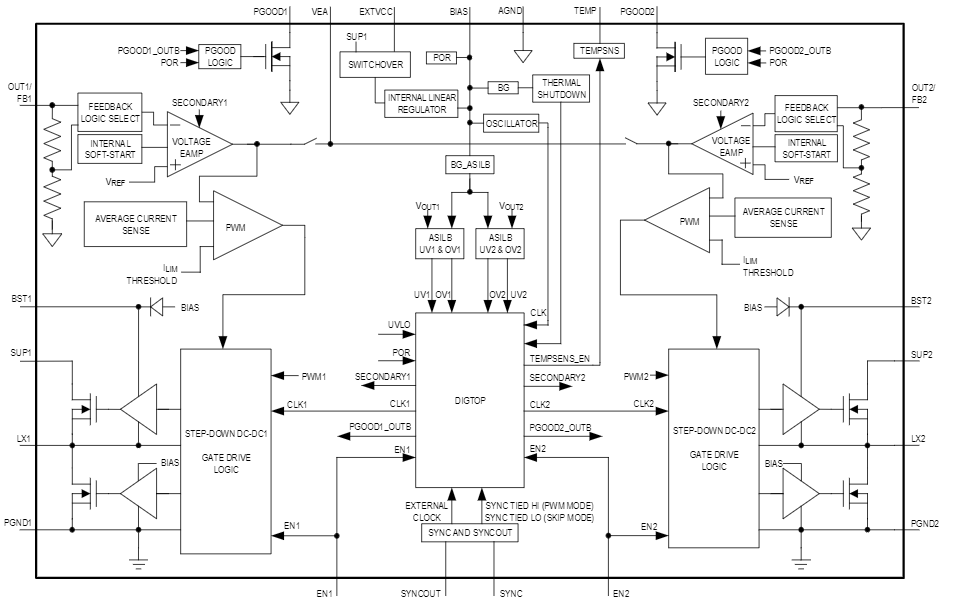
Vereinfachtes Blockdiagramm

Blockdiagramm - Analog Devices / Maxim Integrated MAX25255 Synchrone Abwärtswandler
Veröffentlichungsdatum: 2022-11-29 | Aktualisiert: 2025-04-15