Analog Devices / Maxim Integrated MAX25606 Matrix-Manager mit 6 Schaltern für LED-Beleuchtung

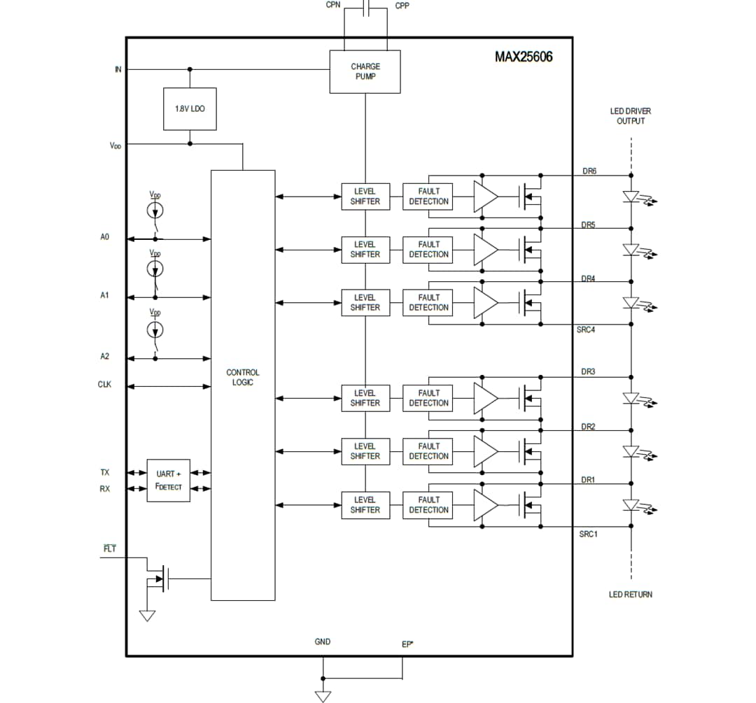
Der MAX25606 Matrix-Manager mit 6 Schaltern für LED-Beleuchtung von Analog Devices ist für Einzel- oder Dual-Strang-Automotive-Beleuchtungsapplikationen optimiert.   Der MAX25606 enthält sechs einzeln gesteuerte n-Kanal-MOSFET-Schalter. Jeder Schalter verfügt über einen On-Widerstand von 0,2 Ω und ist so ausgelegt, dass er 16 V widersteht. Eine einzige Stromquelle kann verwendet werden, um alle in reihengeschalteten LEDs mit Strom zu versorgen. Einzelne LEDs können durch Ein- und Ausschalten der Bypass-Schalter über jede LED gedimmt werden. Der MAX25606 kann auch in Zweistrangapplikationen mit drei Schaltern in Reihe pro Strang konfiguriert werden. Jeder Schalter kann über 1, 2 oder 3 reihengeschaltete LEDs verbunden werden. Darüber hinaus ermöglicht das Bauteil eine parallelgeschaltete Verbindung von zwei Schaltern zur Umgehung von Hochstrom-LEDs. Der MAX25606 enthält eine interne Ladungspumpe, die die Gate-Ansteuerung für die LED-Bypass-Schalter versorgt.

Der MAX25606 verfügt über eine universelle asynchrone Empfänger-Sender-Kommunikationsschnittstelle (UART). Jeder Schalter kann mit 12-Bit-PWM-Tastverhältniseinstellung ein-, ausgeschaltet oder PWM-moduliert werden. Übergänge zwischen zwei verschiedenen PWM-Einstellungen können entweder sofort erfolgen oder ein logarithmischer Fade-Übergang kann angewendet werden. Der logarithmische Fade-Algorithmus ist in den MAX25606 integriert und erfordert nur einen einzigen Software-Befehl. Das Bauteil verfügt über einen offenen LED-Schutz sowie eine offene und Kurzschluss-LED-Fehlermeldung über die serielle Schnittstelle.

Der MAX25606 Matrix-Manager mit 6 Schaltern von Analog Devices ist in einem thermisch verbesserten TQFN20-Gehäuse mit benetzbaren Flanken verfügbar. Bauteile mit benetzbaren Flanken ermöglichen eine automatische optische Inspektion (AOI), weisen einen höheren Widerstand gegen Scherkräfte auf und können PCB-Biegungen handhaben, wodurch die Zuverlässigkeit verbessert wird.Dieses Bauteil ist gemäß AEC-Q100 Klasse 1 qualifiziert und für den Betrieb über den gesamten Temperaturbereich von -40 °C bis +125 °C ausgelegt.

Merkmale

  • AEC-Q100-qualifiziert für Fahrzeuganwendungen
  • Der Matrix-Manager mit sechs Schaltern ermöglicht eine flexible Konfiguration
    • Einzel-, Dual-Strang-Konfigurationen
    • Bis zu 6 Schalter in Reihe für Einzelstrang
    • Bis zu 3 Schalter in Reihe im Doppelstrang
    • Bis zu 3 LEDs pro Schalter
  • Robuste serielle Schnittstelle
    • Multi-Drop-UART-Kommunikationsschnittstelle
    • Bis zu 64 adressierbare Bauteile
    • Kompatibel mit der CAN-Physical-Layer
  • Optimale PWM-Verdunkelungsanordnung bietet eine ausgezeichnete Verdunkelungsleistung
    • Programmierbare 12-Bit-PWM-Verdunkelung
    • Ausblendungsübergang zwischen PWM-Verdunkelungszuständen
    • Interner Taktgenerator oder externer Takt für PWM-Verdunkelung
  • EMI-Mitigation
    • Programmierbare Anstiegsrate für EMI-Steuerung
    • Integriertes Frequenzspreizungsdithering
  • Schutzfunktionen und Gehäuse verbessern die Zuverlässigkeit
    • Schutz der LED gegen Unterbrechung
    • Programmierbare Offen- und Kurzschluss-LED-Schwelle
    • Fehlermeldung von Unterbrechung und Kurzschlüssen der LED
    • Open-Trace-Fehlermeldung
  • Betriebstemperaturbereich: -40 ºC bis +125 ºC
  • 4,0 mm x 4,0 mm TQFN20-Gehäuse mit benetzbaren Flanken
  • Bleifrei und RoHS-konform

Applikationen

  • Automotive-Matrix-LED-Systeme und adaptive Antriebsstrahlleuchten

Typische Applikations-Schaltung

Applikations-Schaltungsdiagramm - Analog Devices / Maxim Integrated MAX25606 Matrix-Manager mit 6 Schaltern für LED-Beleuchtung

Blockdiagramm

Blockdiagramm - Analog Devices / Maxim Integrated MAX25606 Matrix-Manager mit 6 Schaltern für LED-Beleuchtung
Veröffentlichungsdatum: 2021-06-21 | Aktualisiert: 2023-04-11