Analog Devices / Maxim Integrated MAX32625 und MAX32626 32-Bit-MCUs
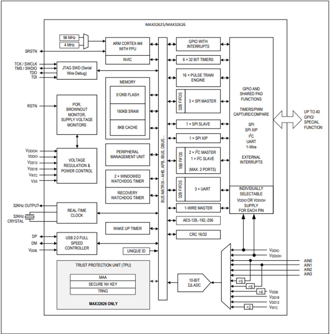
Die Maxim MAX32625 und MAX32626 ARM® Cortex®-M4F-32-Bit-Mikrocontroller eignen sich hervorragend für den aufkommenden Bereich von medizinischen und Fitness-Wearables. Die Architektur vereint extrem stromsparende, hocheffiziente Signalverarbeitungsfunktionen mit Benutzerfreundlichkeit. Ein interner 96MHz-Oszillator sorgt für die hohe Leistungsfähigkeit. Der interne 4MHz-Oszillator unterstützt einen minimalen Stromverbrauch für Applikationen, die eine kontinuierliche Überwachung erfordern.Die MAX32625 und MAX32626 MCUs bieten 512 kB Flash und 160 kB SRAM. Diese Bauteile verfügen über vier leistungsstarke und flexible Stromsparmodi. Eine Peripheriemanagementeinheit (Peripheral Management Unit, PMU) ermöglicht eine intelligente Peripheriesteuerung mit bis zu sechs Kanälen für eine erhebliche Reduzierung des Stromverbrauchs. Eingebaute dynamisches Takt-Gating und Firmware-gesteuertes Power-Gating ermöglichen es dem Anwender, die Leistung für die jeweilige Applikation zu optimieren.The MAX32625 and MAX32626 MCUs provide 512kB of flash and 160kB of SRAM. These devices feature four powerful and flexible power modes. A peripheral management unit (PMU) enables intelligent peripheral control with up to six channels to significantly reduce power consumption. Built-in dynamic and firmware-controlled clock gating allows users to optimize power for the specific application.
The Analog Devices MAX32625 and MAX32626 MCUs are available in WLP-63 and TQFN-EP-68 packages with a -30°C to +85°C operating temperature range.
View MAX32625EVKIT & MAX32626EVKIT Evaluation Kits
View MAX32625PICO Evaluation Board
Merkmale
- High-Efficiency Microcontroller for Wearable Devices
- Internal Oscillator Operates Up to 96MHz
- Low Power 4MHz Oscillator System Clock Option for Always-On Monitoring Applications
- 512KB Flash Memory (256KB “L” Version)
- 160KB SRAM (128KB “L” Version)
- 8KB Instruction Cache
- 1.2V Core Supply Voltage
- 1.8V to 3.3V I/O
- Optional 3.3V ±5% USB Supply Voltage
- Optimal Peripheral Mix Provides Platform Scalability
- SPI Execute in Place (SPIX) Engine for Memory Expansion with Minimal Footprint
- Three SPI Masters, One SPI Slave
- Three UARTs
- Up to Two I2C Masters, One I2C Slave
- 1-Wire Master
- Full-Speed USB 2.0 Device with Internal Transceiver
- Sixteen Pulse Train (PWM) Engines
- Six 32-Bit Timers and 3 Watchdog Timers
- Up to 40 General-Purpose I/O Pins
- 10-Bit Delta-Sigma ADC Operating at 7.8ksps
- AES -128, -192, -256
- CMOS-Level 32kHz RTC Output Available in All Power Modes
- Power Management Maximizes Uptime for Battery Applications
- 106μA/MHz Active Current Executing from Cache<
- 49μA/MHz Active Current Executing from FlashWake-Up to 96MHz Clock or 4MHz Clock
- 600nA Low Power Mode (LP0) Current with RTC Enabled
- 2.56μW Ultra-Low Power Data Retention Sleep Mode (LP1) with Fast 5μs Wake-Up on 96MHz Clock Source
- 27μA/MHz Low Power Mode (LP2) Current
- Secure Valuable IP and Data with Robust Internal Hardware Security (MAX32626 Only)
- Trust Protection Unit (TPU) Provides ECDSA and Modular Arithmetic Acceleration Support
- PRNG Seed Generator
- Physical Specifications
- Wide Operating Temperature: -30°C to +85°C
- Package Options
- WLP-63
- TQFN-EP-68
- RoHS Compliant
Applikationen
- Sports Watches
- Smart Watches
- Fitness Monitors
- Wearable Medical Patches
- Portable Medical Devices
- Sensor Hubs
Block Diagram
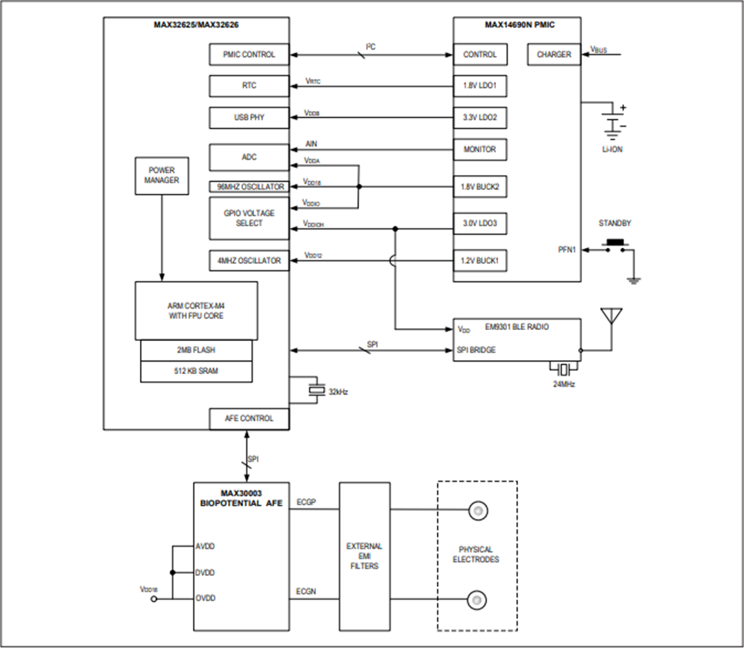
Typical Application Circuit
Veröffentlichungsdatum: 2016-11-21
| Aktualisiert: 2023-04-21
