Analog Devices / Maxim Integrated MAX38800 und MAX38801 Schaltregler

Maxim Integrated MAX38800 und MAX38801 Schaltregler sind Bauteile mit hohem Wirkungsgrad für Applikationen, die von Eingangsversorgungen von 6,5 V bis 14 V betrieben werden und eine maximale Last von bis zu 9 A (MAX388800) oder 15 A (MAX38801) benötigen. Die Bauteile sind eine Einzelchip-Lösung, die eine Leistung mit hohem Wirkungsgrad für präzise Ausgänge liefern und eine schnelle Einschwingzeit verlangen. Die Regler verfügen über zahlreiche Optionen, um eine große Auswahl von Konfigurationen zu ermöglichen.

Merkmale

  • Lösung mit hohem Wirkungsgrad
  • Bis zu 96 % Spitze
  • Bis zu 95,5 % Volllast
  • Bis zu 94 % Wirkungsgrad bei geringer Last und 1 A mit DCM aktiviert
  • Flexibles Design ermöglicht eine frühe PCB-Definition
  • Footprint-kompatibel mit MAX38801 (15 A) und MAX38802/MAX38803 (25 A)
  • Programmierbare Schaltfrequenz bis zu 1 MHz
  • Programmierbarer Soft-Start und STAT-Verzögerungszeiten
  • Programmierbare Referenzspannung mit externer Eingangsoption
  • Programmierbare positive und negative OCP-Begrenzung
  • Erweiterte Architektur, Schutz- und Meldefunktionen garantieren zuverlässige Designs
  • Unterstützt stromsenkende und stromziehende Schaltungstechnik
  • Analoge Strom- oder Temperatur-Meldung
  • Differentielle Fernerkundung mit Leerlauf-Erkennung
  • Schnelle Einschwingzeit mit Quick-PWM™-Architektur
  • Prozentualer Ausgangs-Power-Good und -OVP
  • Open-Drain-Statusanzeige-Pin (STAT)
  • Eingangsunterspannungs- und Ausgangsüberspannungssperre
  • Adaptive Totzeit-Regelung
  • Spart Board-Platz
  • Integrierter Aufwärtsschalter
  • 19-Bump-WLCSP-Footprint (2,2 mm x 2,8 mm)
  • Betrieb mit Keramik-Eingangs- und -Ausgangskondensatoren

Applikationen

  • Server/μServer
  • I/O- und Chipsatz-Versorgung
  • GPU-Core-Versorgung
  • DDR-Speicher: VDDQ, VPP und VTT
  • Point-of-Load (PoL) Applikationen

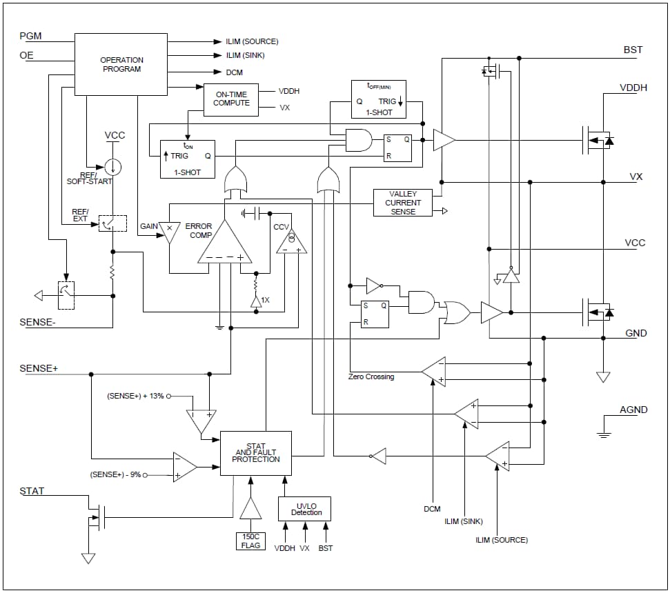
MAX38800 Blockdiagramm

Blockdiagramm - Analog Devices / Maxim Integrated MAX38800 und MAX38801 Schaltregler

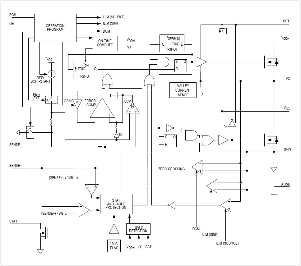
MAX38801 Blockdiagramm

Blockdiagramm - Analog Devices / Maxim Integrated MAX38800 und MAX38801 Schaltregler
Veröffentlichungsdatum: 2018-01-30 | Aktualisiert: 2023-04-11