Analog Devices / Maxim Integrated MAX5992A/MAX5992B Powered-Device-Controller
Maxim Integrated MAX5992A/MAX5992B Powered-Device-Controller bieten eine Schnittstellensteuerung für PDs, welche die Anforderungen des IEEE® 802.3af/at-Standards erfüllen. Die Controller werden in Power-over-Ethernet(PoE)-Systemen eingesetzt. Diese Bauteile stellen dem PD eine Erkennungs- und Klassifizierungssignatur sowie einen integrierten Isolations-MOSFET-Treiber mit Strombegrenzungssteuerung zur Verfügung. Darüber hinaus machen die intelligente Maintain-Power-Signatur (MPS) und die aktive FET-Brückensteuerung den PD mehr energieeffizient. Die Bauteile verfügen über ein SIG_OK-Ausgangssignal für leistungsstarke Multi-2P-PD-Applikationen.Merkmale
- IEEE 802.3af/at-konform
- UPoE-kompatibel
- Leistungsstarke 2x2P-/Multi-PD-Synchronisierung/Multi-PD-Redundanz
- Integrierte aktive FET-Brückensteuerung und Rückstromschutz
- Wählbare UVLO für Medizintechnik-/Industrieapplikationen
- 2-stufige Einschaltstromsteuerung
- Intelligente MPS
- Einfachere Wandadapter-Schnittstelle für einen nahtlosen Leistungsübergang
- Extremer Stromspar-/Schlafmodus
- 2-Ereignis-Klassifizierung oder eine externe Wandadapter-Ausgangsanzeige
- PoE-Klassifizierung: 0 bis 5
- Gate-Treiber für externen Isolations-MOSFET
- Wählbare Strombegrenzung und Foldback
- RJ45-Versorgungseingang von 12 V
- Schlafmodus-Verzögerung: 6,5 s
Applikationen
- IEEE 802.3af/at-Powered Devices (PD)
- Universal-Power-over-Ethernet (UPoE)
- Femtozelle, Picozelle, Mikrozelle
- Hochleistungs-2x2P-PD
- Multi-PD-Redundanz
- Fiber-to-the-Home/-Building (FTTH/FTTB)
- IP-Telefone
- Drahtlose Zugangsknoten
- IP-Sicherheitskameras (IPC)
- WiMAX™-Basisstationen
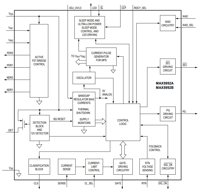
Blockdiagramm
Veröffentlichungsdatum: 2019-06-24
| Aktualisiert: 2023-04-17
