Analog Devices / Maxim Integrated MAX5996 IEEE® 802.3bt-konformes Powered Device
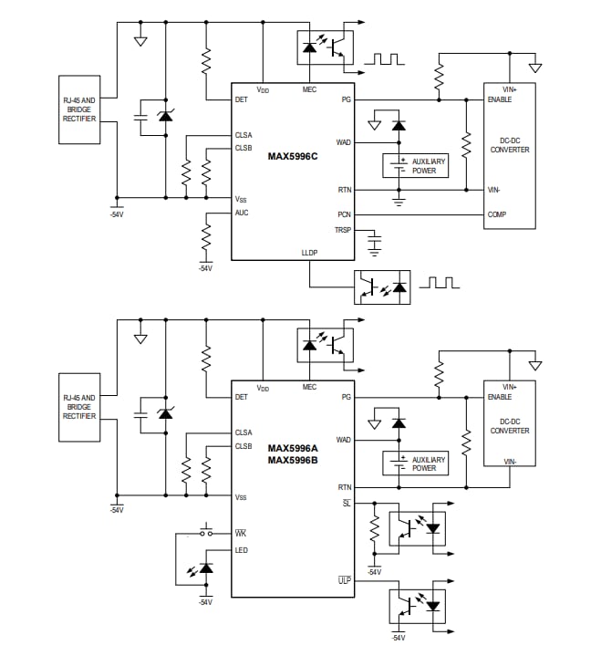
Das Analog Devices MAX5996 IEEE® 802.3bt-konforme Powered-Device erfüllt den IEEE 802.3af/at/bt-Standard in einem Power-Over-Ethernet-System (PoE ) mit Erkennungssignatur, Klassifizierungssignatur und einem integrierten Leistungsschalter mit Einschaltstromsteuerung. Der MAX5996 begrenzt den Strom während der Anlaufzeit auf 135 mA und schaltet auf eine höhere Strombegrenzung um, wenn der Leistungs-MOSFET vollständig erweitert ist. Die Bauteile verfügen über eine Multi-Ereignis-Klassifizierung, intelligente MPS, Autoklasse und einen Eingangs-UVLO mit großer Hysterese und Entstörungszeit, um einen störungsfreien Übergang während dem Ein-/Ausschalten zu gewährleisten. Der MAX5996 widersteht einer maximalen Spannung von 100 V am Eingang.Das MAX5996 IEEE 802.3bt-konforme Powered Device von Analog Devices erkennt die Präsenz einer Wandadapterleistung und ermöglicht eine reibungslose Umschaltung von der PoE-Stromquelle zum Wandadapter. Diese Bauteile bieten außerdem ein Power-Good-Signal (PG), eine Zweischritt-Strombegrenzung und eine Foldback-Steuerung sowie einen Übertemperaturschutz.
Der MAX5996 ist in einem 16-Pin-TQFN-Leistungsgehäuse von 5 mm x 5 mm untergebracht und über einen Temperaturbereich von -40 °C bis +125 °C eingestuft.
Merkmale
- Genaue Leistungstelemetrie (Patent angemeldet)
- Konstante Leistungs-/Strombegrenzung (Patent angemeldet)
- LLDP-Leistungs-/Strompegelmessung (Patent angemeldet)
- IEEE802.3bt-konform
- Integrierter 90-W-Isolationsschalter
- Multi-Klassifizierung
- Multi-Ereignis-Leistungsstufenanzeige
- Vereinfachte Wandadapter-Schnittstelle
- Einschaltstrombegrenzung während des Einschaltens
- Strombegrenzung im Normalbetrieb
- Übertemperaturschutz
- Autoklasse
- Wählbare grüne MPS
- Intelligente MPS (Patent US9152161)
- 16-Pin-TQFN von 5 mm x 5 mm
Applikationen
- IEEE 802.3bt Powered-Devices
- VOIP-Telefone, IP-Sicherheitskameras
- Drahtloser Zugangspunkt
- Kleinzelle, Picocell
- Beleuchtung
- Gebäudeautomatisierung
Vereinfachtes Blockdiagramm
Veröffentlichungsdatum: 2021-09-28
| Aktualisiert: 2025-07-24
