Analog Devices / Maxim Integrated MAX77857 Evaluierungskit
Das Analog Devices MAX77857 Evaluierungskit ist eine vollständig bestückte und getestete Leiterplatte (PCB), die den MAX77857 Abwärts-/Aufwärtswandler demonstriert. Dieses Bauteil bietet einen Eingang von 2,5 V bis 16 V und einen einstellbaren Ausgang von 4,5 V bis 15 V mit internen Rückkopplungswiderständen oder 3 V bis 15 V mit externen Rückkopplungswiderständen. Das MAX77857 Evaluierungskit ist werkseitig als interne Rückkopplung mit einer Standard-Startausgangsspannung von 5 V konfiguriert. Das MAX77857 Evaluierungskit von Analog Devices verfügt über I/O-Pins zur Unterstützung der seriellen I2C-Schnittstelle, der Freigabefunktion und der Interrupt/Power-OK-Anzeige.Merkmale
- Vorteil des bewährten PCB-Referenzdesign und -Layouts
- Vollständig bestückt und getestet
- Messpunkte für hochgenaue Messungen
- Zugängliche Testpunkt-Pins für EN, POKB/INTB, VIO und die SCL, SDA serielle I2C-Schnittstelle
- MAXUSB_INTERFACE# ermöglicht eine einfache Kommunikation mit einem Windows-PC
- GUI-Software, welche die serielle I2C-Schnittstelle für die optionale Softwaresteuerung ansteuert
- Einschalt-Ausgangsspannung einstellbar über externe Rückkopplungswiderstände
- Die Ausgangsspannung kann über die serielle I2C-Schnittstelle dynamisch eingestellt werden
- I2C-Slave-Adresse, Schaltstrombegrenzung und Rückkopplungskonfiguration mit RSEL (R9) einstellbar
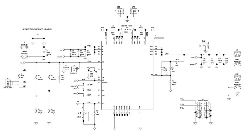
Applikations-Schaltungs-Diagramm
MAX77857 EV-Kit Schaltplan
Veröffentlichungsdatum: 2022-05-20
| Aktualisiert: 2023-04-17
