Analog Devices / Maxim Integrated MAX77863 Leistungsmanagement-IC
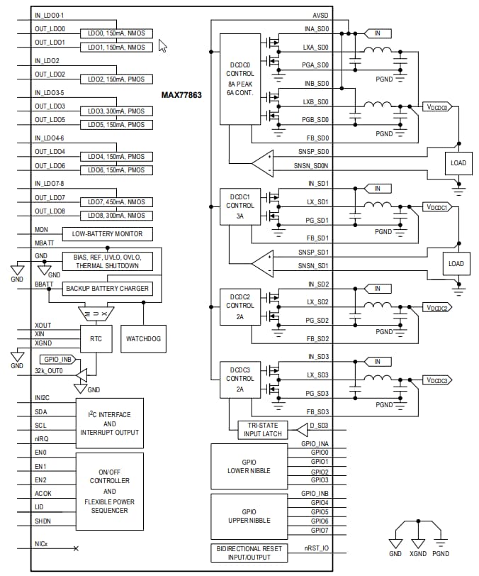
Der Maxim Integrated MAX77863 Leistungsmanagement-IC ist für Mobilgeräte mit System-on-Chip(SoC)-Applikationsprozessoren ausgelegt. Das Bauteil ist in einem Wafer-Level-Gehäuse (WLP) verfügbar und kann in platzbeschränkten Applikationen, einschließlich Smartphones, GPS und Set-Top-Boxen, verwendet werden. Der MAX77863 Leistungsmanagement-IC bietet 13 Regler. Zwei Regler bieten eine Differential-Fernerkundung und sind sowohl für einen Dauer- als auch Spitzenstrom ausgelegt. Zahlreiche werksseitig programmierbare Optionen ermöglichen die Anpassung des Bauteils an viele Applikationen.Merkmale
- Wird mit einer Quelle von 2,6 V bis 5,5 V betrieben
- Ausgangsspannungsbereich: 0,6 V bis 3,3875 V
- Ausgangsstrom von 8 A
- Ermöglicht eine kostengünstige PCB-Technologie
- Enthält 4 x DC/DC-Abwärtsregler
- Enthält 9 x Low-Dropout-Linearregler
- Keine externen MOSFETs erforderlich
- Verbraucht 12 µA in seiner niedrigsten Leistungsstufe
- Stromsparende Modi auf allen Reglern reduzieren den Stromverbrauch
- LDOs sind nur mit dem Punktlast-Kondensator stabil
- I2C-3.0-kompatible Schnittstelle
- nIRQ-Interruptausgabe
- 8 x GPIOs
- Echtzeituhr (RTC)
- Backup-Ladegerät
- Timing-Taktausgang
- System-Watchdog-Timer
- I2C-Watchdog-Timer
- Bidirektionaler Reset-I/O
- Flexibler Leistungssequenzer (FPS)
- Thermische Abschaltung
- Betriebstemperaturbereich: -40 °C bis +85 °C
Applikationen
- Persönlicher Internet-Viewer
- Digitale Fotorahmen
- Set-Top-Boxen
- Smartphones
- GPS
- Automotive-Nachrüstzubehör
Vereinfachtes Funktionsdiagramm
Veröffentlichungsdatum: 2019-11-22
| Aktualisiert: 2023-05-04
