Analog Devices Inc. MAX77958 USB Typ-C™ & USB PD Controller
Der USB Type-C™ und USB PD-Controller MAX77958 von Analog Devices Inc. ist eine robuste Lösung für die Erkennung von USB Type-C CC und die Implementierung des Power Delivery (PD) Protokolls. Das Bauteil erkennt angeschlossenes Zubehör oder Bauteile durch die Verwendung der Typ-C-CC-Erkennung und der USB-PD-Nachrichten. Der MAX77958 schützt gegen Überspannung und Überstrom, erkennt Feuchtigkeit und verhindert Korrosion auf dem USB-Typ-C-Steckverbinder. Der IC verfügt außerdem über einen D+/D- USB-Schalter und BC1.2-Erkennung zur Unterstützung älterer USB-Standards. Er enthält VCONN -Schalter für USB PD und einen Enable-Pin für einen externen VCONN -Boost- oder Abwärtswandler.Der MAX77958 von ADI enthält eine Firmware, die mit der USB Type-C-Spezifikation Version 1.3 und PD 3.0 konform ist. Das Bauteil lässt sich problemlos weiter anpassen, ohne die Einhaltung zu beeinträchtigen. Der MAX77958 verfügt über einen I2C-Master, der andere Bauteile im System lesen und beschreiben kann, so dass seine Firmware verwandte Bauteile ohne die Hilfe des Hauptprozessors konfigurieren kann. Damit ist zum Beispiel die Konfiguration eines externen Ladegeräts basierend auf BC1.2-Erkennung, CC-Erkennung und PD-Kommunikation möglich.
Der IC verfügt über einen Interrupt-Ausgangspin zur Meldung von Ereigniserkennung und Statusänderungen. Außerdem verfügt er über eine I2C-Schnittstelle, über die das System interne Register lesen/schreiben und konfigurieren kann. Der MAX77958 bietet neun konfigurierbare GPIOs, die zur Erkennung, als Interrupts und als Turn-Pin für externe Geräte oder als ADC-Eingänge verwendet werden können. Der IC ist in einem 3,10 mm x 2,65 mm großen Wafer-Level-Package (WLP) mit 0,5 mm Raster erhältlich.
Merkmale
- Anpassbare Firmware
- USB-konforme Standard-Embedded-Firmware
- Unterstützt anpassbare Aktionen bei Ereignissen
- Firmware-Updates für zukünftige Spezifikationsrevisionen
- USB-Typ-C-Unterstützung und USB-PD-Unterstützung
- Konform mit USB-Typ-C Version 1.3 und PD 3.0
- Modus-Konfiguration: Senken-/Quellen-/Dual-Rollenanschluss
- Unterstützt eine programmierbare Stromversorgungssenke (PPS)
- Anfängliche Senkenunterstützung für Fast Role Swap (FRS)
- Erkennung der Kabelausrichtung und der Leistungsrolle
- Integrierter VCONN -Schalter mit OCP
- Unterstützung für Try.Snk-Zustand
- Audio- und Debug-Zubehör Sink/Source-Modus
- Unterstützt BC1.2 Erkennung von älteren/proprietären Ladegeräten, integrierte D+/D- Schalter
- Korrosionsschutz durch Feuchtigkeitserkennung
- Hochspannung VBUS Bereich (28 V)
- Kurzschlussschutz gegen VBUS an den CC-Pins (22 V)
- Unterstützung bei leerer Batterie
- Zwei Versorgungseingänge von SYS und VBUS
- I2C programmierbare Konfiguration
- I2C Master zur Steuerung eines externen Ladegeräts oder eines Direktlade-ICs
- 9x konfigurierbare GPIOs (GPIO6 für SID)
- SuperSpeed Mux/Erkennung/IRQ
- Externe Schalter oder Bauteile EN/DISABLE
- 3,10 mm x 2,65 mm WLP30-Package, 0,5 mm Raster
Applikationen
- Smartphones
- Tablets
- Kameras
- Game-Player
- Powerbanks (Ladegeräte)
- PoE-zu-USB-Typ-C-Adapter für Industrieanlagen
- Handheld-Geräte
- Tragbare Geräte
- Bildschirme
- Gesundheitswesen und medizinische Geräte
- Weitere USB-Typ-C-Bauteile
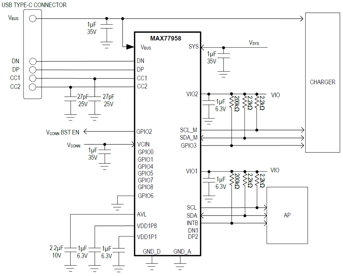
Blockdiagramm
