Astrodyne TDI RP359 3-Phase Delta Compact EMI Power Line Filters

Astrodyne TDI RP359 3-Phase Delta Compact EMI Power Line Filters are multi-stage power line filters available with current ratings from 150A to 2500A. These 3-phase high current EMI filters offer a 50/60Hz operating frequency and a maximum 520VAC operating voltage. The RP359 3-phase Delta compact multi-stage high current EMI power line filters are RoHS compliant and suitable for industrial and commercial environments.

Specifications

  • 50/60Hz operating frequency
  • DC to 400Hz usable frequency range
  • 3500VDC Hipot rating
  • 520VAC maximum operating voltage
  • -25°C to +50°C ambient temperature range
  • 25/100/21 climatic category
  • 0 to 2000nF capacitance range
  • 150A to 2500A current range
  • 0 to 20mA leakage current range
  • 20dB to 80dB typical insertion loss range

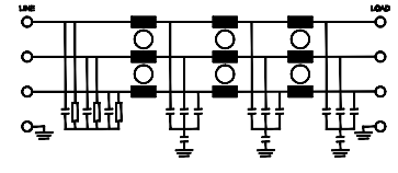
Schematic

Schematic - Astrodyne TDI RP359 3-Phase Delta Compact EMI Power Line Filters
Veröffentlichungsdatum: 2017-08-04 | Aktualisiert: 2022-04-08