Banner Engineering Q20-2 polarisierte retroreflektierende Sensoren
Q20-2 polarisierte retroreflektierende Sensoren von Banner Engineering bieten ausgezeichnete Sensorleistung mit erstklassiger optisch-mechanischer Ausrichtung für konsistente Verriegelungs- und Lastmontage. Diese Sensoren verfügen über ein Verstärkungspotentiometer mit einer Umdrehung, einen LO/DO-Schalter und helle Anzeige-LEDs, die eine einfache Ausrichtung und Konfiguration für zuverlässige Messungen ermöglichen. Die fotoelektrischen Sensoren Q20-2 sind mit Standard-Messinggewindebohrungen von 3 mm im Abstand von 1 Zoll versehen und lassen sich leicht auf beengtem Platz integrieren. Diese polarisierten retroreflektierenden Modelle für die einseitige Montage mit einem retroreflektierenden Ziel sind ideal für die Erfassung dunkler und glänzender Ziele. Q20-2 Sensoren sind in einem kompakten, robusten und abgedichteten IN -Kunststoffgehäuse erhältlich.The Q20-KLAF is an infrared laser sensor that uses time-of-flight technology to consistently and reliably detect challenging targets up to 3m away. Multiple sensing modes on the Q20-KLAF solve different application problems, reducing stock by using only one sensor. IO-Link® streamlines control system integration and provides easy access to measurement values, delay timers, and advanced diagnostics.
Merkmale
- Gute Sensorleistung
- Kompaktes, robustes und abgedichtetes Kunststoffgehäuse
- Verstärkungspotentiometer mit einer Umdrehung
- Licht-/Dunkelbetriebsschalter (LO/DO)
- BRT-2x2 Sensorbefestigung und Zubehör
- Helle und sichtbare rote Anzeige-LEDs
- Standardmäßige 3-mm-Gewindemontagelöcher mit25,4 mm (1 -inch) Abstand
- Erstklassige optisch-mechanische Ausrichtung für konsistente Verriegelungs- und Lastmontage
Technische Daten
- 10 VDC bis 30 VDC (10 % maximale Restwelligkeit innerhalb spezifizierter Grenzen) bei weniger als 20 mA, ohne Last
- 645 nm Sichtbare rote LED
- Anzeigen:
- Durchgehend grün: Eingeschaltet
- Durchgehend gelb: Licht erfasst
- Gelbes Blinken: Grenzerfassungsbedingung
- Geschützt gegen Polaritätsvertausch und Transientenspannungen
- 600 µs Ausgangsreaktion (Aus zu Ein und Ein zu Aus)
- 144 μs Wiederholgenauigkeit
- -25 °C bis 70 °C Betriebstemperaturbereich
- IP67-Umweltschutz-Einstufung
Applikationen
- Erkennung dunkler und glänzender Ziele
- Industrie
- Automatisierung
- Robotik
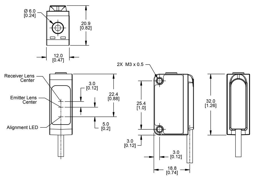
Dimensions
Leistungsdiagramme
Videos
Veröffentlichungsdatum: 2023-07-13
| Aktualisiert: 2025-07-29
