Bourns 3-polige Gasentladungsröhren (GDTs), Baureihe 2026
Bourns 2026-Baureihe 3-Pin-Gasentladungsröhren (GDTs) nutzen die symmetrische TRIGARD®- Technologie, um empfindliche elektronische Schaltungen vor Hochspannungstransienten wie Überspannungen und Blitzeinschlägen zu schützen. Die Bauteile der Baureihe 2026 zeichnen sich durch eine hohe Stromstoßbelastbarkeit und stabile Durchschlagseigenschaften während ihrer gesamten Lebensdauer aus. Die Bauelemente haben einen Durchmesser von etwa 8 mm und eine Länge von 11 mm und sind nach UL zertifiziert. Es sind auch RoHS-konforme Versionen erhältlich. Die GDTs der 2026 Baureihe 3-Pole von Bourns eignen sich ideal für die Telekommunikation und eine Vielzahl elektronischer Applikationen, darunter Verbraucher-, Industrie- und Gewerbeanwendungen.Merkmale
- Ausgewogene TRIGARD
- Durchmesser von ca. 8 mm und Länge von 11 mm
- UL-Zulassung
- Hohe Stoßstrombelastbarkeit
- Stabiler Durchbruch während der Produktlebenszeit
- RoHs-konforme Versionen verfügbar
Applikationen
- Telekommunikation
- Industrielle Elektronik
- Elektronik im Bereich Handel
- Unterhaltungselektronik
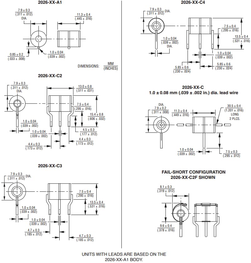
Abmessungen
Veröffentlichungsdatum: 2025-10-13
| Aktualisiert: 2026-01-12
