Bourns HVMA03F40C-ST10S Sperrwandler

Der HVMA03F40C-ST10S Sperrwandler von Bourns  ist ein AEC-Q200-konformer Automobilstandard-Transformator mit einer 3 W-Ausgangsleistung. Dieser Sperrwandler verfügt über einen Schaltfrequenzbereich von 100 kHz bis 400 kHz und eine Betriebsspannung von 900 V bis 5.000 m. Der HVMA03F40C-ST10S Sperrwandler bietet eine grundlegende Isolierung gemäß IEC 61558-2 und IEC 60664-1 und entspricht der Feuchteempfindlichkeit 1 (MSL 1). Dieser 3 W Sperrwandler bietet einen großen Betriebstemperaturbereich von -40°C bis 155°C und eine Kriechstrecke von 10 mm mit SMT-Transformator. Zu den typischen Applikationen gehören Transistor-Gate-Treiber-Leistung, Wechselrichterschaltungen, Batteriemanagement-Systeme, Motorantriebe und Power Delivery.

Merkmale

  • 3 W Sperrwandler
  • Schaltfrequenzbereich: 100 kHz bis 400 kHz
  • 900 V Betriebsspannung bis zu 5.000 m
  • SMT-Transformator mit 10 mm Kriechstrecke
  • Phenolharzspule
  • Vollständig isolierter Kupferdraht
  • Epoxidkleber und Ferritkern
  • Basisisolierung gemäß IEC 61558-2 und IEC 60664-1
  • -40 °C bis 155 °C Betriebstemperatur
  • Feuchteempfindlichkeit 1 (MSL 1)
  • AEC-Q200-konform und Automobilstandard

Applikationen

  • Transistor-Gate-Treiber-Leistung
  • Wechselrichterschaltungen
  • Batteriemanagementsysteme
  • Motorantriebe
  • Stromzufuhr

Diagramm – bleifreies Lötprofil

Leistungsdiagramm - Bourns HVMA03F40C-ST10S Sperrwandler

Elektrischer Schaltplan

Schaltplan - Bourns HVMA03F40C-ST10S Sperrwandler

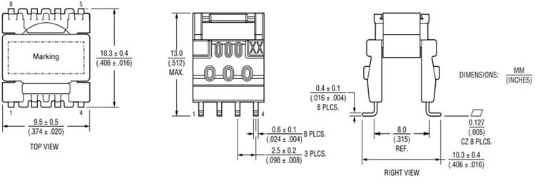
Maßbild

Bourns HVMA03F40C-ST10S Sperrwandler
Veröffentlichungsdatum: 2025-01-06 | Aktualisiert: 2025-01-13