Bourns PER21 Inkrementalring-Encoder mit langer Lebensdauer
Der Bourns PER21 Inkrementalring-Encoder mit langer Lebensdauer verfügt über einen Gehäusedurchmesser von 21 mm mit einer Schaltleistung von 10 mA bei 5 VDC und einem 2-Bit-Quadratur-Code-Ausgang. Der PER21 bietet eine haptische Einrastrückmeldung, eine Durchsteckmontage und eine erstklassige Rotationscharakteristik. Der PER21 Inkrementalring-Encoder mit langer Lebensdauer von Bourns verfügt über einen Betriebstemperaturbereich von -10 °C bis +60 °C. Zu den typischen Applikationen gehören professionelle Audio-Anlagen, Medizintechnik- und Diagnosegeräte mit geringem/mittlerem Risiko, Verbraucher-Weißware und Industrieautomatisierungs-Steuerungen.Merkmale
- Inkremental-Encoder mit niedrigem Profil
- Erstklassige Rundlaufeigenschaften
- Durchsteckmontageart
- Haptische Einrastrückmeldung
- RoHs-konform
Applikationen
- Professionelle Audioausrüstungen
- Professionelle Lichtorgeln
- Verbraucher-Weißware
- Medizintechnik- und Diagnosegeräte mit geringem/mittlerem Risiko
- Prüf- und Messgeräte
- Kommunikationsgeräte
- Laborausrüstung
- Industrieautomatisierungssteuerungen
Technische Daten
- Lebensdauer von 50.000 Umdrehungszyklen
- Maximale Drehzahl: 60 U/min
- Schaltleistung: 10 mA bei 5 VDC
- 2-Bit-Quadratur-Code-Ausgang
- Betriebstemperaturbereich: -10 °C bis +60 °C
- Lagertemperaturbereich: -40 °C bis +85 °C
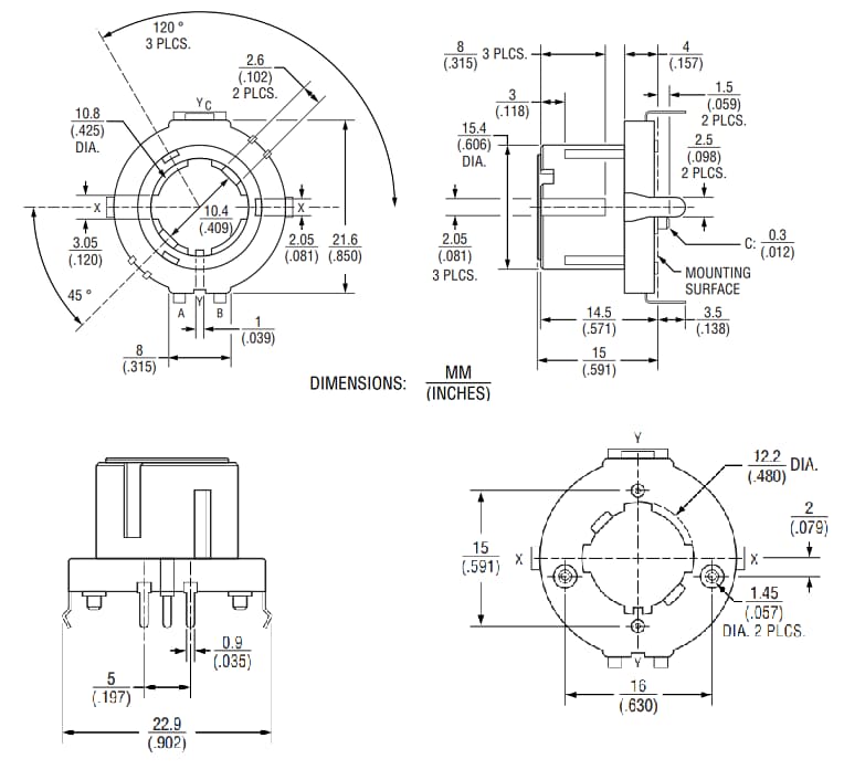
Technische Zeichnung
Veröffentlichungsdatum: 2021-07-29
| Aktualisiert: 2022-03-11
