Bourns PF-J POWrFuse™ Hochleistungssicherungen
Bourns PF-J POWrFuse™ Hochleistungssicherungen bieten einen Nennstrom von 30 A bis 70 A, eine Nennspannung bis zu 500 VAC und eine Unterbrechungsleistung bis zu 2 kA. PF-J- Sicherungen sind speziell auf die Anforderungen von UL 284-14 ausgelegt und tragen zum Schutz von Systemen bei extremen Umgebungstemperaturen und Fehlerstromereignissen bei. Die Baureihe ist RoHs-konform sowie halogenfrei und hat einen Betriebstemperaturbereich von -55 °C bis +125 °C. Ideale Applikationen für Bourns PF-J POWrFuse Hochleistungssicherungen sind Industrie- und Haushaltsgeräte, Umrichter für Klimaanlagen, Kompressoren für Eismaschinen und Kompressoren für Luftentfeuchter.Merkmale
- Ausgelegt für Zusatzstandard UL 248-14
- Nennstrom: 30 AA bis 70 AA
- Bis zu 500 VAC Nennspannung
- Unterbrechungsleistung bis zu 2 kA
- Betriebstemperaturbereich: -55 °C bis +125 °C
- RoHS-konform und halogenfrei
Applikationen
- Industrieapplikationen
- Haushaltsgeräte
- Inverter für Klimaanlagen
- Eismaschinenkompressoren
- Entfeuchterkompressoren
Deratingkurve
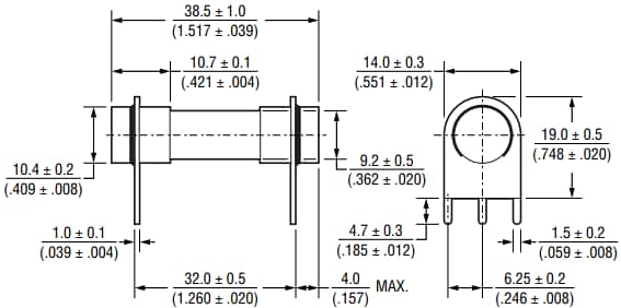
Abmessungen
Veröffentlichungsdatum: 2022-07-06
| Aktualisiert: 2025-06-12
