Bourns RSW Riedon™ Präzisions-Strom-Querwiderstände
Bourns RSW Riedon™ Präzisions-Strom-Querwiderstände bieten eine robuste und genaue Messung für einen großen Strombereich. Die Widerstände verfügen über einen mittig montierten Spannungsabgriff zur Vereinfachung der Verbindung zu Amperemessgeräten und ein Mangan™ Widerstandselement, um niedrige Widerstandswerte zu erzielen. Die RSW-Baureihe bietet ein kompaktes Design für platzbeschränkte Applikationen, die hohe Nennströme und eine induktionsfreie Metallelementbauweise erfordern. Die RSW Riedon Präzisions-Strom-Querwiderstände von Bourns eignen sich hervorragend für verschiedene Leistungs- und Industrieapplikationen, einschließlich Batteriemanagementsysteme (BMS), Netzteile/Wandler, Solargeneratoren, Windenergie, Galvanisierung, Bergbau und Akkuladegeräte.Merkmale
- Früher ein Riedon-Produkt
- Manganin-Widerstandselement
- Nicht-induktives Metallelement
- Mittenmontierte Spannungsanzapfungen
- Hohe Nennströme
- Niedrige Widerstandswerte
- 0,25 % Standard-Toleranzwert
- Kompaktes Design für platzbeschränkte Applikationen
- UL-zugelassen, RoHS-konform
Applikationen
- BMS
- Stromversorgung
- Leistungswandler (AC/DC)
- Solargeneratoren, Windenergie
- Akkuladegeräte
- Schwerindustrie
- Galvanische Beschichtung
- Bergbau
Technische Daten
- 5 A bis 200 A Nennstrombereich
- 3,33 A bis 133,33 A Betriebsstrombereich
- 0,25 mΩ bis 10 mΩ Widerstandsbereich bei 50 mV Ausgang
- 50 mV Nennausgangsleistung
- 15 ppm bis 20 ppm TCR
- -40 °C bis +70 °C Betriebstemperaturbereich
- -55 °C bis +80 °C Lagertemperaturbereich
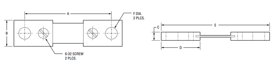
Technische Zeichnung
Veröffentlichungsdatum: 2024-08-26
| Aktualisiert: 2024-08-26
