Bourns SC Mini-Trennschalter (Miniatur-Wärmeabschalter)

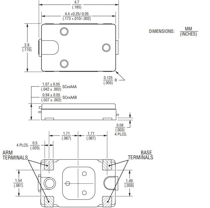
Die SC Mini-Trennschalter von Bourns sind oberflächenmontierbare und rückstellbare Miniatur-Wärmeabschalter (TCO) der nächsten Generation. Diese Mini-Trennschalter verfügen über eine Strombelastbarkeit von 5,5 A bis zu 8 A bei 60 °C und sind in zwei Höhenoptionen verfügbar. Die SCxxAAB Version mit sehr niedrigem Profil verfügt über eine Höhe von nur 0,94 mm ±0,05 mm, während die SCxxAAA Version bei einer Höhe von 1,07 mm ±0,05 mm verstärkt ist. Das Design der SC-Baureihe sorgt dafür, dass einem Hochdruckspritzgießdruck standgehalten wird, der während der Herstellung von USB-Kabeln auftritt.

Darüber hinaus ist die SC-Baureihe von rückstellbaren Miniator-TCO-Bauteilen für eine Beständigkeit gegenüber feuchten Umgebungen ausgelegt und enthält einen Bimetall-Mechanismus mit hoher Korresionsbeständigkeit. Diese Bauteile bieten einen Übertemperaturschutz (OTP), einen Überstromschutz (OVP) und eine große Auswahl von Temperaturoptionen. Die primäre Applikation für diese Bauteile ist der Batteriezellenschutz in Smartphones und USB-3.1-Typ-C-Kabeln. 

Merkmale

  • Miniatur-Wärmeabschalter
  • Kleinere Gehäusegröße mit einer Option der Oberflächenmontage
  • Übertemperatur- und Überstromschutz
  • Kontrolliert abnormalen und übermäßigen Strom sofort bis zu vorgegebenen Grenzwerten
  • Großer Temperaturbereich
  • Hohe Korrosionsbeständigkeit
  • Erhältlich in Höhenoptionen mit niedrigem Profil und hoher Widerstandskraft
  • RoHS-konform

Applikationen

  • Batteriezellenschutz für:
    • Notebook-PCs
    • Tablet-PCs
    • Smartphones
  • Übertemperaturschutz für:
    • USB-Typ-C-Kabel (Smartphone-Kabel, Notebook-AC-Adapter)
    • Elektronische Zigaretten

Produktaufbau und Schaltplan

Applikations-Schaltungsdiagramm - Bourns SC Mini-Trennschalter (Miniatur-Wärmeabschalter)

Produktabmessungen

Technische Zeichnung - Bourns SC Mini-Trennschalter (Miniatur-Wärmeabschalter)
Veröffentlichungsdatum: 2019-02-13 | Aktualisiert: 2023-03-16