Bourns SM353230-181N7Y Chip-LAN-Transformator
Der SM353230-181N7Y Chip-LAN-Transformator von Bourns ist IEEE 802,3 Ethernet-kompatibel, 1G/2.5G/5G Base-T-kompatibel und bietet eine Größe von 3,5 mm x 3,2 mm x 2,9 mm. Dieser Transformator verfügt über Bauelemente mit Mittelanzapfung, die auf einen Trommelkern gewickelt und mit einer Ferritplatte bedeckt sind und das Ergebnis des engen magnetischen Pfads eines Ringkerns emuliert. Diese Baureihe verfügt über diskrete Transformatoren und Gleichtaktdrosseln für ein flexibles PCB-Layout. Der SM353230-181N7Y Chip-LAN-Transformator von Bourns eignet sich hervorragend für Hochgeschwindigkeits-Telekommunikations- und Netzwerk-Bauteile.Merkmale
- IEEE 802.3 Ethernet-kompatibel
- Kompatibel mit 1G-/2.5G-/5G-BASE-T
- Abmessungen: 3,5 mmm x 3,2 mmm x 2,9 mmm
- Diskrete Transformatoren und Gleichtaktdrosseln für ein flexibles PCB-Layout
- Kopplung der Gleichtakt-Drosselspule SRF2012A-801Y zur Reduzierung von EMI
- Temperaturbereich: -40 °C bis +85 °C
- RoHS-konform und halogenfrei
- Ideal für Hochgeschwindigkeits-Telekommunikations- und Netzwerkbauteile
Applikationen
- Hochgeschwindigkeits-Telekommunikation
- Netzwerkgeräte
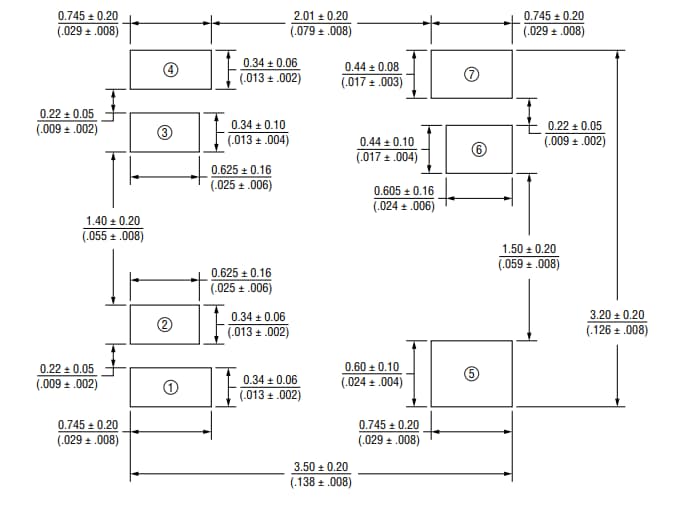
Anschlussabmessungen – Ansicht von oben
Veröffentlichungsdatum: 2021-01-11
| Aktualisiert: 2024-03-28
