Bourns SM91074AL AEC-Q200-LAN-10/100-Base-T-Transformer
SM91074AL LAN 10/100 Base-T-Transformer von Bourns sind LAN 10/100 Base-T-/Isolationstransformer-Module mit Einzelanschluss und Gleichtaktdrosseln für die Rauschunterdrückung in Ethernet-Applikationen. Die SM91074AL LAN-Transformer von Bourns bieten eine Isolationsspannung von 1.500 Vrms und einen erweiterten Betriebstemperaturbereich von -40 °C bis +125 °C. Diese LAN-Transformer sind AEC-Q200-qualifiziert und RoHS-konform.Merkmale
- Zur Erfüllung der IEEE 802.3u (100 Base-T) Spezifikationen ausgelegt
- -40 °C bis +125 °C Betriebstemperaturbereich
- 1.500 Vrms Isolationsspannung
- RoHS-konform
- AEC-Q200-konform
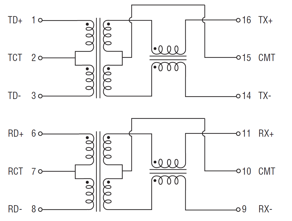
Elektro-Schaltplan
Weitere Ressourcen
Veröffentlichungsdatum: 2018-10-24
| Aktualisiert: 2022-11-17
