Bourns SSD Nebenschlussstrom-Sensoren
Bourns SSD Nebenschlussstrom-Sensoren sind 24-Bit-isolierte Sensoren mit CAN-Bus oder RS-485/MODBUS Schnittstelle. Diese Sensoren verfügen über eine Nennstromstärke von 100 A bis 1.000 A (Spitzenwert2 kA bis 20 kA ), eine verstärkte galvanische Isolierung 1500VDC und einen ECC -Flash-Speicher mit automatischer Korrektur von Einzelbitfehlern. Die SSD- Sensoren verfügen außerdem über eine 0,1 % Toleranz, einen 16-Bit 150 °C Mikrocontroller sowie eine interne und externe CRC- Datenfehler-Erkennung. Diese Sensoren umfassen eine erweiterte nichtlineare Temperaturkompensation für Batteriesysteme, Motorantriebe, erneuerbare Energien und Applikationen in Ladestationen für Elektrofahrzeuge.Merkmale
- Isolierter 24-Bit-Nebenschlussstrom-Sensor mit CANbus- oder RS-485/MODBUS-Schnittstelle
- Nennstrom von 100 A bis 1.000 A (2 kA bis 20 kA Spitzenwert)
- 1500VDC verstärkte galvanische Isolierung
- 0,1 % Toleranz
- 16-Bit 150 °C Mikrocontroller
- 24-Bit ADC mit gepufferten analogen Eingängen
- ECC-Flash-Speicher mit automatischer Korrektur von Einzelbit-Fehlern
- Interner und externer CRC-Datenfehlererkennung
- Erweiterter nichtlinearer Temperaturausgleich
Applikationen
- Batteriesysteme
- Motorantriebe
- Erneuerbare Energie
- EV-Ladestation
Technische Daten
- ±100 A Nennstrom
- +2kA/-1kA Spitzenstrom (kein Clipping)
- Shunt-Widerstand: 300 μΩ (ohne primären Anschlusswiderstand)
- 5 kHz Bandbreite
- <±0,1% +="" 5="" ma="" linearität="" über="">±0,1%>
- Bis zu 1100rps Geschwindigkeit (0,9 ms bis 3.300 ms pro Lesevorgang)
- 3500VAC RMS Durchschlagfestigkeit (1 Minute)
Videos
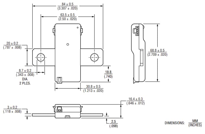
Abmessungen
Datenblätter
Veröffentlichungsdatum: 2024-06-28
| Aktualisiert: 2026-01-28
