Broadcom ACPL-790x Exakte Isolationsverstärker

Avago Technologies ACPL-790x Exakte Isolationsverstärker verbessern die Präzision und Reaktionszeit des Avago Isolationsverstärker-Portfolios, was sie für kompakte Anwendungen in einem kleinformatigeren Gehäuse eignet. Avago Technologies ACPL-7900, ACPL-790A und ACPL-Isolationsverstärker sind entwickelt für Strom- und Spannungssensorik in elektronischen Energieumwandlern in Anwendungen einschließlich Motortreiber und erneuerbarer Energiesysteme. Die ACPL-7900 (±3% Verstärkungstoleranz) und ACPL-790A (±1% Verstärkungstoleranz) werden  für allgemeine Anwendungen empfohlen. Die ACPL-790B (±0.5% Verstärkungstoleranz) sind ideal für hochexakte Anwendungen. Diese Avago Technologies-Geräte arbeiten mit einer 5V-Versorgung und bieten eine dynamische Leistung von 60dB SNR. ACPL-790x Isolationsverstärker besitzen 200 kHz Bandbreite und 1.6µs schnelle Reaktionszeit, was es diesen Geräten ermöglicht, Transienten bei Kurzschlüssen und überlastungszuständen zu erfassen. 

These Broadcom devices operate from a single 5V supply and provide dynamic performance of 60dB SNR. ACPL-790x isolation amplifiers feature 200 kHz bandwidth and 1.6µs fast response time, allowing these devices to capture transients in short-circuit and overload conditions. These Broadcom precision isolation amplifiers operate over a -40°C to +105°C temperature range.

Merkmale

  • -50ppm/°C Low Gain Drift
  • 0.6mV Input Offset Voltage
  • 0.05% Excellent Linearity
  • 60dB SNR
  • 200kHz Wide Bandwidth
  • 3V to 5.5V Wide Supply Range for Output Side
  • -40°C to +105°C Operating Temperature Range
  • Advanced Sigma-Delta A/D Converter Technology
  • Fully Differential Isolation Amplifier
  • 15kV/µs Common-Mode Transient Immunity
  • 1.6µs Fast Response Time
  • DIP-8 Package

Applikationen

  • Current/Voltage Sensing in AC and Servo Motor Drives
  • Solar Inverters, Wind Turbine Inverters
  • Industrial Process Control
  • Data Acquisition Systems
  • Switching Power Supply Signal Isolation
  • General Purpose Analog Signal Isolation
  • Traditional Current Transducer Replacements

Functional Diagram

Schaltungsanordnung - Broadcom ACPL-790x Exakte Isolationsverstärker

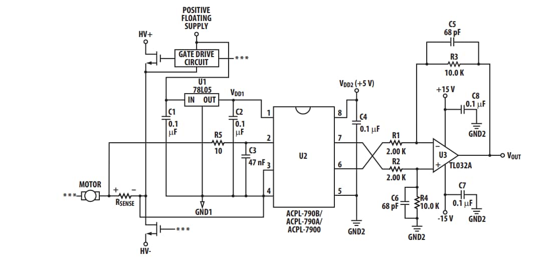
Application Circuit

Applikations-Schaltungsdiagramm - Broadcom ACPL-790x Exakte Isolationsverstärker
Veröffentlichungsdatum: 2011-04-07 | Aktualisiert: 2024-09-19