Broadcom AFBR-S4N22P014M NUV-MT Photomultiplier-Array
Das AFBR-S4N22P014M NUV-MT Fotomultiplizierer-Array von Broadcom ist für hochempfindliche Präzisionsmessungen einzelner Photonen ausgelegt. Dieses Photovervielfacher-Array verfügt über eine ausgezeichnete Einzelphoton-Zeitauflösung (SPTR) und CRT. Darüber hinaus bietet dieses Photovervielfacher-array eine hervorragende Durchschlagspannung und gain-Gleichmäßigkeit zwischen den Bauteilen. Das AFBR-S4N22P014M SiPM-Array verfügt über eine hochtransparente Epoxid-Schutzschicht, die eine breite Reaktion im sichtbaren Lichtspektrum mit hoher Empfindlichkeit gegenüber dem blauen und nahen UV-Bereich ermöglicht. Dieses Photomultiplier-Array arbeitet im Betriebstemperaturbereich von -20 °C bis 60 °C und ist RoHS-, CFM- und REACH-konform. Typische Applikationen umfassen Röntgen- und Gammastrahlen-Erkennung, Nuklearmedizin, Positronenemissionstomographie, Schutz und Sicherheit, Physikexperimente und Cherenkov-Erkennung.Merkmale
- Hoher Lichterkennungswirkungsgrad (PDE) von 63 % bei 420 nm
- Vierseitig kachelbar, mit hohen Füllfaktoren
- 40 μm Zellenraster
- Hochtransparente Epoxid-Schutzschicht
- -20 °C bis 60 °C Betriebstemperaturbereich
- Einzelkanal
- Ausgezeichnete SPTR und CRT
- Hervorragende Gleichmäßigkeit von Durchschlagspannung und Gain zwischen den Bauteilen
- RoHS-, CFM- und REACH-konform
Technische Daten
- Maximale Löttemperatur: 245 °C
- Maximale elektrostatische Entladungsspannungskapazität (HBM): 2 kV
- Maximale elektrostatische Entladungsspannungskapazität (CDM): 500 V
- Maximale Betriebsüberspannung: 16 V
- Typischer Dunkelstrom pro Element: 0,98 µA
- Typische Durchschlagspannung: 32,5 V
- Typische Spitzenempfindlichkeitswellenlänge: 420 nm
- Typische Anschlussnennkapazität: 160 pF
- 55 ns Typische Aufladezeitkonstante
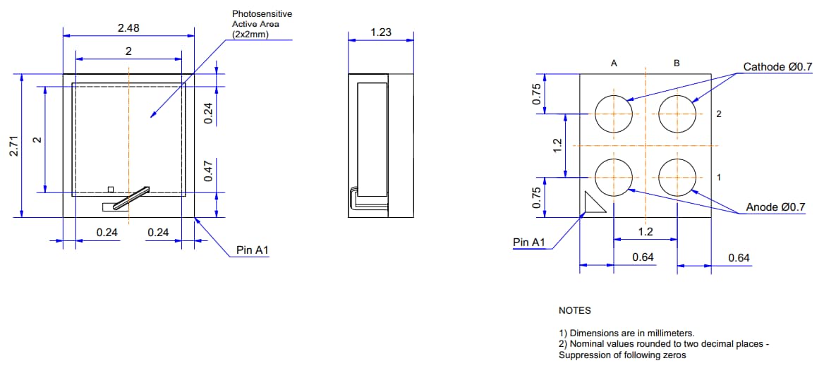
- 2,71 mm x 2,48 mm Gehäusegröße
Applikationen
- Röntgen- und Gammastrahlenerkennung
- Nuklearmedizin
- Positronen-Emissions-Tomografie
- Schutz und Sicherheit
- Physikalische Experimente
- Cherenkov-Detektion
Blockdiagramm
Gehäuseabmessungen
Applikationshinweis
Veröffentlichungsdatum: 2024-01-31
| Aktualisiert: 2024-12-27
