Broadcom AS22-Baureihe Kit-Encoderlösung
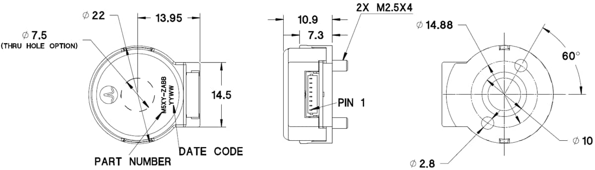
Die Kit-Encoderlösung der AS22-Baureihe von Broadcom bietet eine kompakte Größe mit einem Gesamtdurchmesser von 22 mm und einer Höhe von 10,9 mm für platzbeschränkte Applikationen. Die AS22-Baureihe bietet eine große Auswahl von Inkrementalauflösungen, die von 360 bis 2.048 Impulsen pro Umdrehung (CPR) reicht, um die wachsende Nachfrage nach hochpräzisen Applikationen zu erfüllen. Der Encoder bietet einen A- und B-Kanal der digitalen, inkrementellen Signalausgabe sowie einen digitalen Indeximpuls pro Umdrehung, um die Anfangsstellungs-Positionierung zu ermöglichen. Die Dreikanal-Lösung wird mit dem optionalen RS422-kompatiblen Differential-Ausgang geliefert und bietet eine hohe Störfestigkeit bei der Übertragung von Signalen über Kabel.Dieser Encoder ist für den Betrieb in einer stabilen Umgebung mit einem Betriebstemperaturbereich von –20 °C bis +100 °C ausgelegt, um die Anforderungen einer großen Auswahl von Industrieapplikationen zu erfüllen. Die AS22-Baureihe ist auf Benutzerfreundlichkeit ausgerichtet. Die Kit-Lösung ist so ausgelegt, das sie eine problemlose Installation bietet, womit die Notwendigkeit für ein mühsames Anpassungsverfahren entfällt.
Merkmale
- Kompakte Größe Ø 22 × 10,9 mm
- 5V-Betriebsspannung
- Betriebstemperatur von –20 °C bis +100 °C
- Inkrementelle A-, B- und Index-Kanäle
- TTL- und RS422-kompatibler Differentialausgang
- 360 CPR bis 2.048 CPR
- Schaftdurchmesser von 2 mm bis zu 1/4 Zoll
- Räumliche Toleranz von Ø 0,15 mm
- Ermöglicht eine Motorwellen-Achsentoleranz von ±0,25 mm
- Problemlose Installation
- RoHS-Konformität
Applikationen
- Industrieautomatisierung und Robotik
- Industrielle Näh- und Textilverarbeitungsmaschinen
- Schritt-/Servomotor
- Fabrikautomatisierung
Additional Resources
Gehäuseabmessungen
Veröffentlichungsdatum: 2018-10-02
| Aktualisiert: 2022-07-26
