Coilcraft PL160/PL300 SMT-Planar-Transformatoren
Die Coilcraft PL160 / PL300 SMT-Planar-Transformatoren haben eine Nennleistung von 160W oder 300W und arbeiten bei einer Frequenz zwischen 200kHz und 700kHz mit einer Eingangsnennspannung von 48V. Die PL160 und PL300 zeichnen sich durch einen hervorragenden DC-Widerstand für eine gesteigerte Effizienz aus und bieten eine geringe Streuinduktivität und 1500Vrms sowie eine Minute Isolation von Primär- zur Sekundärwicklung. Diese Transformatoren sind nach AEC-Q200 Grad 1 (-40°C bis +125°C) qualifiziert und bieten 0,009" (0,229mm) Abstand über der Auflagefläche.Merkmale
- Rated for 160W or 300W
- Designed to operate between 200kHz and 700kHz with nominal 48V input
- High efficiency
- Excellent DC resistance
- Very low leakage inductance
- Ferrite core
- Matte tin over nickel over brass terminations
- Moisture Sensitivity Level (MSL) 1
Technische Daten
- 1500Vrms, one minute primary to secondary isolation
- 160W or 300W rating options
- 200kHz and 700kHz frequency range
- 48V nominal input voltage
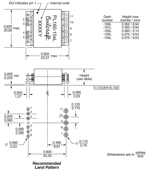
- 0.009″ (0.229mm) clearance above the seating plane
- 0.35µH to 0.55µH maximum leakage inductance
- 12g to 12.8g available range of weight
- -40°C to +125°C operating temperature range
- Maximum of three 40-second reflows at +260°C with parts cooled to room temperature between cycles
Schematic Diagram
Mechanical Drawing
Veröffentlichungsdatum: 2015-12-08
| Aktualisiert: 2022-03-11
