Coilcraft PoE120PL 120-W-Planartransformatoren
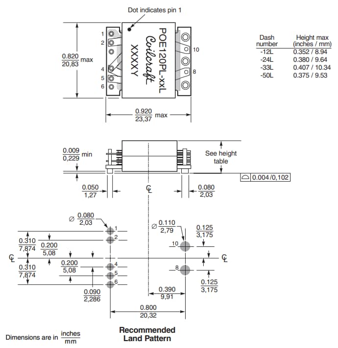
Coilcraft PoE120PL 120-W-Planartransformatoren sind für eine Durchfluss-Topologie mit aktiver Klemmung ausgelegt. Diese Planartransformatoren verfügen über einen hohen Wirkungsgrad, einen guten Gleichstromwiderstand (DCR) und eine geringe Streuinduktivität. Diese PoE120PL Transformatoren werden in einem Frequenzbereich von 250 kHz und einem Eingangsspannungsbereich von 36 V bis 72 V betrieben. Diese Planartransformatoren bieten eine Luftstrecke von 0,009 Zoll (0,229 mm) über der Auflagefläche und enthalten eine 12-V-Hilfswicklung.Merkmale
- Für die Durchflusstopologie mit aktiver Klemmung ausgelegt
- Hoher Wirkungsgrad
- Guter DCR
- Niedrige Streuinduktivität
- Enthält eine 12-V-Hilfswicklung
- Ferritkernmaterial
Technische Daten
- Betrieb mit einer Frequenz von 200 kHz
- Eingangsspannungsbereich von 36 V bis 72 V
- Bietet 0,009 Zoll (0,229 mm) Luftstrecke über der Auflagefläche
- Umgebungstemperaturbereich: -40 °C bis +125 °C
- Feuchteempfindlichkeit (MSL) 1
- Gewicht: 11,1 g bis 11,9 g
Technische Zeichnung
Veröffentlichungsdatum: 2019-09-09
| Aktualisiert: 2023-08-08
