Digi XBee® 3 Zigbee 3,0 Module
Die Digi XBee® 3 Zigbee 3.0 Module beschleunigen die Markteinführung für Designer, Hersteller und Lösungsanbieter, indem sie schnell drahtlose Anschlussfähigkeit und einen einfach hinzuzufügenden Funktionsumfang ermöglichen. Diese Module zeichnen sich durch eine schnellere Bereitstellungszeit aus und bieten außerdem die Flexibilität, je nach Bedarf zwischen mehreren drahtlosen Protokollen und Frequenzen zu wechseln. Die XBee 3 Module bieten ein vollständig interoperables Ökosystem, das verschiedene vertikale Märkte abdeckt, darunter Smart Energie, Gebäudeautomation, intelligente Beleuchtung und digitale Gesundheit. Diese Module können über eine einfache, zentrale Plattform mit dem Digi Remote Manager® einfach konfiguriert und gesteuert werden. Die XBee 3 Module sind durch die integrierten Sicherheits-, Datenschutz- und Identitätsfunktionen von Digi TrustFence® vor neuen und sich entwickelnden Cyberbedrohungen geschützt. Diese Module sind für DigiMesh oder 802.15.4 programmiert und verfügen über einen 13 mm x 19 mm Mikro-Formfaktor, der kompaktere und tragbare Anwendungen ermöglicht.Merkmale
- Silicon Labs EFR32MG SoC-Transceiver-Chipsatz
- Zigbee® 3.0 Protokoll
- 128-/256-bit-AES-Verschlüsselung
- 16 Kanäle
- Serielle Datenschnittstellen UART, SPI und I2C
- API- oder AT-Befehle, Konfigurationsmethode lokal oder Over-The-Air (OTA)
- 2,4 GHz ISM-Frequenzbetrieb
- Schnittstellen-Immunität: DSSS (Direct Sequence Spread Spectrum)
- Programmiert für DigiMesh oder 802.15.4
- Schnellere Inbetriebnahme
- Antennenoptionen:
- Durchsteckmontage:
- PCB-Antenne, U.FL-Steckverbinder und RPSMA-Steckverbinder
- SMT:
- HF-Pad, PCB-Antenne oder U.FL-Steckverbinder
- Mikro:
- U.FL-Antenne, HF-Pad und Chip-Antenne
- Durchsteckmontage:
- 1 MB/128 KB RAM (32 KB sind für den Micropython-Speicher verfügbar)
Technische Daten
- Datenrate: HF von 250 KBit/s, seriell bis zu 1 MBit/s
- Innenraum-/städtische Reichweite: bis zu 60 m
- HF-Sichtlinie/Außenbereich: bis zu 1.200 m
- Sendeleistung: 8 dBm
- Empfängerempfindlichkeit im Normalmodus: -103 dBm
- 4 x 10-Bit-ADC-Eingänge
- 15 x Digital-I/O
- Versorgungsspannungsbereich: 2,1 V bis 3,6 V
- Übertragungsstrom bei 8 dBm: 40 mA
- 17 mA Empfangsstrom
- -40 °C bis +85 °C Betriebstemperaturbereich
Applikationsbeispiel
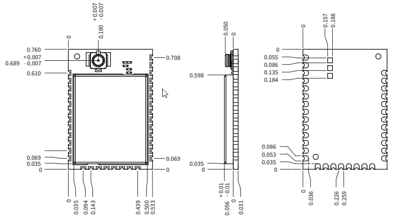
Produktabmessungen (mm)
Veröffentlichungsdatum: 2021-01-29
| Aktualisiert: 2024-03-01
