Diodes Incorporated AP5100 Step-Down Converter

Diodes Incorporated AP5100 current mode step-down converter with built-in power MOSFET enables the smallest solution size power conversion. With the low series resistance power switch the Diodes Incorporated AP5100 step-down converter enables a constant output current of up to 1.2A over a wide input supply range. The load and line regulation has excellent response time over the operating input voltage and temperature range. 

The AP5100 is self-protected through a cycle-by-cycle current limiting algorithm and an on-chip thermal protection. This step-down converter is optimized for use in distributed power systems, battery chargers, pre-regulators for linear regulators, and WLED drivers.

Features

  • VIN 4.75V to 24V
  • Load current of up to 1.2A
  • Internal power MOSFET
  • Stable with low ESR ceramic output capacitors
  • Up to 90% efficiency
  • 0.1µA Shutdown mode
  • Fixed 1.4MHz frequency
  • Thermal shutdown
  • Cycle-by-cycle over current protection
  • 0.81V to 15V Resistor divider adjustable output
  • SOT26 Available in “green” molding compound (No Br, Sb)
  • Lead free finish/RoHS compliant

Applications

  • Distributed power systems
  • Battery charger
  • Pre-regulator for linear regulators
  • WLED Drivers

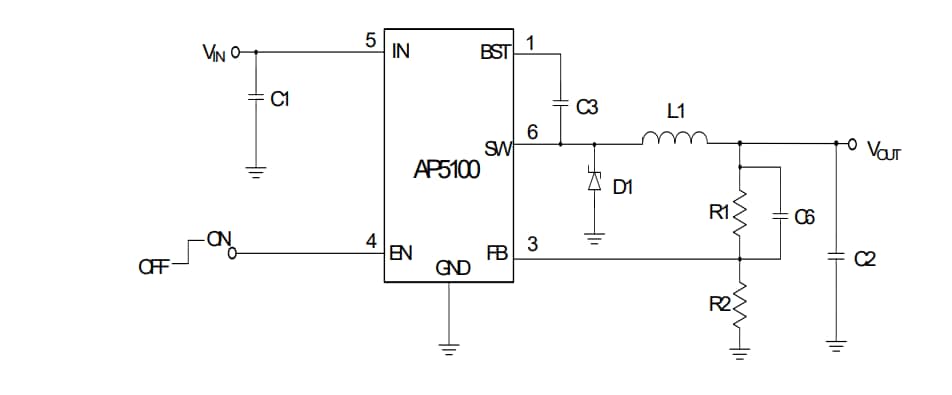
Typical Application Circuit

Application Circuit Diagram - Diodes Incorporated AP5100 Step-Down Converter
Veröffentlichungsdatum: 2010-05-17 | Aktualisiert: 2022-03-11