Diodes Incorporated AP63300/1-EVM Evaluierungsboards
Diodes Incorporated AP63300/1-EVM Evaluierungsboards evaluieren die AP63300/AP63301 synchronen 3-A-Abwärtswandler. Diese Wandler sind vollständig mit einem 75-mΩ -High-Side-Leistungs-MOSFET und einem 40-mΩ -Low-Side-Leistungs-MOSFET integriert, um eine DC/DC-Abwärtswandlung mit hohem Wirkungsgrad zu bieten. Die AP63300/1-EVM Boards werden in einem Temperaturbereich von -40°C bis 85°C, einem Versorgungsspannungsbereich von 3,8 V bis 32 V betrieben und bieten einen Dauerausgangsstrom von 3 A. Die AP63300/1-EVM Boards eignen sich hervorragend für den Einsatz in Home-Audio, Netzwerksystemen, Elektrowerkzeugen und Laserdruckern, Spielkonsolen und Unterhaltungselektronik.Merkmale
- -40 °C bis 85 °C Betriebstemperaturbereich
- Dauerausgangsstrom: 3 A
- Versorgungsspannungsbereich: 3,8 V bis 32 V
Applikationen
- Verteilte Bus-Stromversorgungen: 5 V, 12 V und 24 V
- Flachbildfernseher und -bildschirme
- Elektrowerkzeuge und Laserdrucker
- Weißware und Küchenkleingeräte
- FPGA-, DSP- und ASIC-Versorgungen
- Home-Audiosysteme
- Netzwerksysteme
- Spielkonsolen
- Unterhaltungselektronik
- Universal-Punktlast
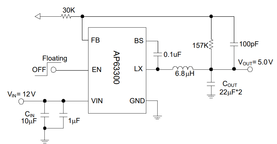
Schaltplan-Diagramm
Veröffentlichungsdatum: 2020-02-11
| Aktualisiert: 2024-07-23
