Diodes Incorporated AP66300 Synchroner DC/DC-Abwärtswandler

Der synchrone DC/DC-Abwärtswandler AP66300 von Diodes Incorporated ist ein intern kompensiertes Bauelement mit einstellbarer Schaltfrequenz mit einer internen Standardfrequenz von 500 kHz. Der vollständig integrierte AP66300 bietet eine hocheffiziente DC/DC-Abwärtswandlung unter Verwendung eines 120 m Ω High-Side-Leistungs-MOSFET und eines 55 m Ω Low-Side-Leistungs-MOSFET. Der AP66300 ermöglicht einen kontinuierlichen Laststrom (bis zu 3 A) mit einem Wirkungsgrad von bis zu 95 % bei verbesserter Vorspannung. Ein Strom-   geregelter Betriebsmodus ermöglicht eine einfache Schleifenstabilisierung bei gleichzeitiger Unterstützung eines breiten kapazitiven Lastausgangsbereichs. Der AP66300 ist in einem standardmäßigen grünen U-QFN4040-16/SWP -Gehäuse (Ausführung UXB) erhältlich.

Merkmale

  • Eingabebereich: 3,8 V bis 60 V
  • 3 A kontinuierlicher Ausgangsstrom
  • Ausgangsspannung einstellbar von 0,8 V bis 50 V
  • Erhöhter Wirkungsgradmodus mit Vorspannung
  • Einstellbare Schaltfrequenz, 500 kHz Standard
  • Inbetriebnahme mit vorgespanntem Ausgang
  • Externer Sanftanlauf mit Nachlauf:
    • Sequentiell, ratiometrisch oder absolut
    • Standardmäßiger interner Sanftanlauf von 2 ms
  • Aktivierungs-Pin mit 5 % Toleranz
  • Sanfte Entladung
  • ±5 % Power-Good-Erkennung mit internem Pull-up Widerstand
  • Überspannungsschutz und Unterspannungsschutz
  • Überstromschutz (OCP) mit Hiccup
  • Thermischer Schutz
  • Grünes U-QFN4040-16/SWP -Gehäuse (Ausführung UXB)
  • Bleifrei und RoHs-konform
  • Halogen- und antimonfreies-, "grünes" Bauelement

Applikationen

  • Allzweck-Punktlast-DC/DC-Leistungsumwanldung
  • Telekommunikationssysteme
  • Dezentrale Stromversorgung
  • Home-Audiobauteile
  • Unterhaltungselektronik
  • Netzwerk-Systeme
  • FPGA-, DSP- und ASIC-Versorgungen
  • Umweltfreundliche Elektronik

Technische Daten

  • 2,2µA typischer Abschaltversorgungsstrom, maximal 6.0µA
  • 43µA typischer Versorgungsruhestrom, maximal 63µA
  • Maximaler Schalterableitstrom: 1 µA
  • Typische Sanftanlaufzeit: 1,7ms
  • Sanftanlauf-Ladestrombereich: 0,75 μA bis 1,25μA
  • Minimale Einschaltzeit (typisch): 115 ns
  • Minimale Ausschaltzeit (typisch): 125 ns
  • Betriebstemperaturbereiche
    • Umgebungstemperatur: -40 °C bis +85 °C
    • Anschluss: -40 °C bis +125 °C
  • Maximale ESD-Empfindlichkeit
    • ±2500 V Human Body Model (HBM)
    • ±1500 V Charged Device Model (CDM)

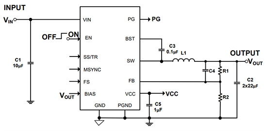
Typische Applikation

Applikations-Schaltungsdiagramm - Diodes Incorporated AP66300 Synchroner DC/DC-Abwärtswandler

Blockdiagramm

Blockdiagramm - Diodes Incorporated AP66300 Synchroner DC/DC-Abwärtswandler
Veröffentlichungsdatum: 2023-01-31 | Aktualisiert: 2023-02-06