Diodes Incorporated AP7372 Rauscharme ULDO-Regler
AP7372 rauscharme ULDO-Regler von Diodes Incorporated sind für außergewöhnliche Leistung in rauschempfindlichen Applikationen ausgelegt. Diese Regler werden von 2,7 V bis 20 V betrieben, bieten bis zu 200 mA Ausgangsstrom und verfügen über eine hohe Versorgungsspannungsunterdrückung (PSRR) von 90 dB bei 10 kHz, was einen stabilen Betrieb in analogen und gemischten Signalschaltungen mit hoher Leistungsfähigkeit gewährleistet. Mit einem Ausgangsrauschen von nur 8 μVRMS, unabhängig von den festen Ausgangsspannungsoptionen (1,8 V, 2,5 V, 3,3 V und 5,0 V) erzielt der AP7372 ein ausgezeichnetes Leitungs- und Last-Einschwingverhalten. Darüber hinaus bietet das Bauteil eine programmierbare Sanftanlauffunktion, eine niedrige Dropout-Spannung von 120 mV bei 200 mA und ist mit einem 2,2 μF Keramik-Ausgangskondensator stabil. Diese Eigenschaften machen den AP7372 ideal für Applikationen wie z. B. ADC- und DAC-Schaltungen, Präzisionsverstärker und Stromversorgungen fürVCO VTUNE -Steuerungen.Merkmale
- Geringes Rauschen von 8 μVRMS unabhängig von der festen Ausgangsspannung
- Hoher PSRR
- 90 dB at 10 kHz
- 70 dB at 100 kHz
- 52 dB at 1 MHz
- 2,7 V bis 20 V Eingangsspannungsbereich
- Maximaler Ausgangsstrom von 200 mA
- Hohe Ausgangsspannungsgenauigkeit von ±0,8 %
- ±1,8 % Genauigkeit in Bezug auf Leitung, Last und Temperatur, -40 °C bis +125 °C Bereich
- Niedrige 120-mV-Dropout-Spannung bei IOUT = 200 mA (typisch)
- Benutzerprogrammierbarer Sanftanlauf
- Geringer Ruhestrom: 66 μA (typ.)
- Niedriger Abschaltstrom
- 3,1 μA bei VIN = 5 V
- 3,3 μA bei VIN = 20 V
- Stabil mit 2,2 μF Keramik-Ausgangskondensator
- Anpassbarer Ausgang von 1,2 V bis VIN– VDO, der Ausgang kann über den anfänglichen Sollwert eingestellt werden
- Anschlüsse
- NiPdAu-Ausführung über Kupferleitungen
- Lötbar pro MIL-STD-202, Verfahren 208
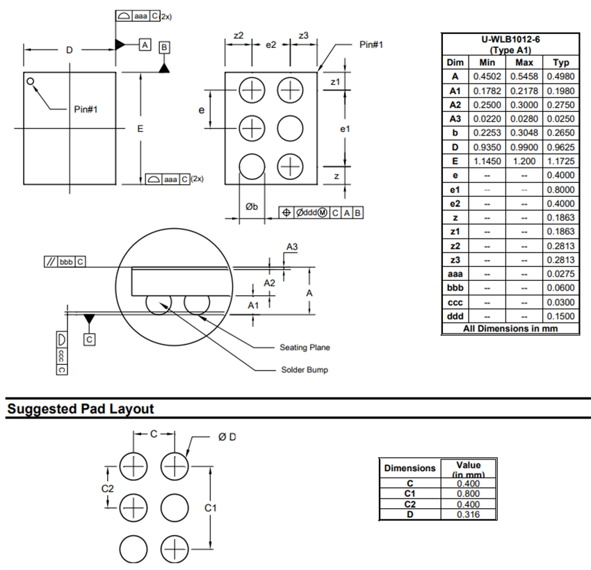
- U-WLB1012-6-Gehäuse (Typ A1)
- Feuchteempfindlichkeit (MSL) 1 gemäß J-STD-020
- Vollständig RoHS-konform und völlig bleifrei
- Halogen- und antimonfreies umweltfreundliches Bauteil
Applikationen
- Regulierung für rauschempfindliche Applikationen
- ADC- und DAC-Schaltungen
- Präzisionsverstärker
- Stromversorgung für VCO VTUNE-Steuerelemente
- Kommunikation und Infrastrukturen
- Medizin und Gesundheitswesen
- Industrielle Geräte und Messgeräte
Weitere Ressourcen
Typische Applikation
Blockdiagramm
Abmessungen
Veröffentlichungsdatum: 2025-04-21
| Aktualisiert: 2025-07-31
