Diodes Incorporated AS348/AS2348 RRIO CMOS-Operationsverstärker
Die AS348/AS2348 RRIO (Rail-to-Rail Input/Output) CMOS-Operationsverstärker von Diodes Incorporated sind ein- bzw. zweikanalige Bausteine mit maximalem Ausgangsspannungshub und einer erweiterten Gleichtaktspannung von 300 mV über die Versorgungsschiene hinaus. Die AS348/AS2348 Operationsverstärker sind vollständig spezifiziert für den Betrieb mit 1.6 bis 5.5 V Single-Supply bzw. ±0.8 V und ±2.5 V Dual-Supply Anwendungen. Der AS348 ist in einem SOT25-Gehäuse erhältlich, und der AS2348 wird in MSOP-8- und SO-8-Gehäusen angeboten. Der Betrieb bei -40°C bis +125°C und eine hohe ESD-Toleranz erleichtern den Einsatz in rauen Applikationen.Merkmale
- Versorgungsspannungsbereich: 1,6 V bis 5,5 V
- ±0,8 V bis ±2,5 V Dual-Supply Spannungsbereich
- Typischer ultra-niedriger Eingangsruhestrom: 1pA
- 2,5 mV maximale Offsetspannung, 0,5 mV typisch
- Typisch geringe Eingangsoffsetdrift: 2μV/°C
- Rail-to-Rail-Eingang
- VCM: 300 mV über die Versorgungsschiene attCC = 3 V oder 5 V
- Rail-to-Rail-Ausgangsschwingung
- 4 mV von der Schiene mit einer 10 kΩ-Last
- 25 mV von der Schiene mit einer 1 kΩ-Last
- Typischer Versorgungsstrom: 70 μA/Kanal
- Einheitsverstärkung stabil bis zu 100 pF kapazitiver Last, 1.0 MHz Verstärkungsbandbreite
- 0.45 V/μs Anstiegsrate bei VCC = 5.0 V
- Betriebstemperaturbereich -40 °C bis +125 °C
- ESD-Schutz JESD 22, 4000 V HBM (A114)
- Halogen- und antimonfreies, "grünes" Bauelement
- Vollständig RoHs-konform und bleifrei
Applikationen
- Aktive Filter
- Sensoren-Schnittstellen
- Photodioden-Verstärkung
- Rauchmelder und CO-Melder
- Batteriebetriebene Applikationen
- Tragbare Ausrüstung
- Medizinische Messgeräte
- Pulsoximeter und Blutzuckermessgeräte
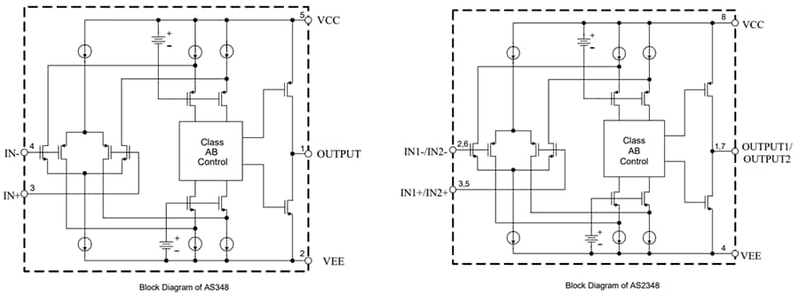
Blockdiagramme
Veröffentlichungsdatum: 2023-04-10
| Aktualisiert: 2023-12-22
