Diodes Incorporated DGD0227 Low-Side-Gate-Treiber
Diodes Incorporated DGD0227 Low-Side-Gate-Treiber sind duale Hochgeschwindigkeits-Low-Side-MOSFET- und IGBT-Treiber. Dieser Bauteile können einen Spitzenstrom von 4 A ansteuern und bieten einen Betriebsversorgungsspannungsbereich von 4,5 V bis 18 V. Die Gate-Treiber-Logikeingänge von Diodes Incorporated sind mit Standard-TTL- und CMOS-Pegeln (bis hinunter zu 3,3 V) kompatibel und lassen sich problemlos mit MCUs verbinden. Die schnelle und gut angepasste Ausbreitungsverzögerung ermöglicht einen Betrieb bei hohen Geschwindigkeiten. Dadurch wird ein kleineres und kompakteres Leistungsschaltdesign mit kleineren zugehörigen Komponenten ermöglicht. Dieser DGD0227 Gate-Treiber ist in einem SO-8-Gehäuse (Typ TH) erhältlich und arbeitet in einem Temperaturbereich von -40 °C bis 125 °C.Merkmale
- Kostengünstige Lösung mit hohem Wirkungsgrad für die Ansteuerung von MOSFETs und IGBTs
- Betriebsversorgungsspannungsbereich: 4,5 V bis 18 V
- 4,0A Quellen-/4,0A Senken-Ausgangsstromfähigkeit
- Schnelle Ausbreitungsverzögerung: 35 ns (typisch)
- Schnelle Anstiegs- und Abfallzeiten von 20 ns (typisch)
- 3,3 V Logikeingangsleistung (IN)
- Temperaturbereich: -40 °C bis 125 °C
- Vollständig RoHS-konform und bleifrei
- Halogen- und antimonfrei
Technische Daten
- SO-8-Gehäuse (Typ TH)
- Gehäusematerial: Geformter Kunststoff, umweltfreundliche Formkomponente
- UL-94V-0 Brennbarkeitsprüfung
- Einstufung der Feuchteempfindlichkeit: 3 gemäß J-STD-020
- Anschlüsse:
- Mattverzinnte Leitung
- Lötbar gemäß MIL-STD-202
- Methode 208
- Wiegt 0,075 g (Schätzwert)
Applikationen
- DC/DC-Wandler
- Leitungstreiber
- Motorsteuerungen
- Schaltnetzteile
DGD0227 Typische Konfiguration
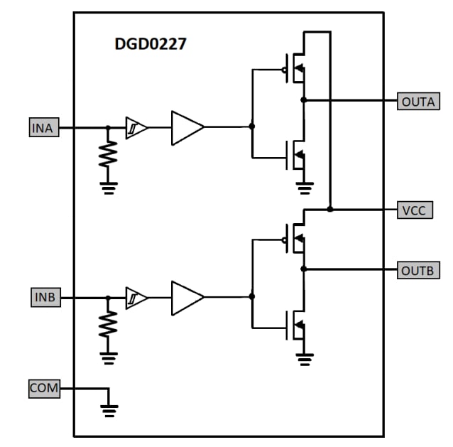
DGD0227 Funktionales Blockdiagramm
Weitere Ressourcen
Veröffentlichungsdatum: 2019-01-15
| Aktualisiert: 2023-07-12
