Diodes Incorporated Bidirektionale Pegelwandler des Typs LXS010x

Diodes Incorporated LXS010x Bidirektionale Pegelwandler sind konfigurierbare Vier-Bit-/Zwei-Bit-Umsetzer mit Dual-Versorgung und automatischer Erkennung, die keinen direktionalen Steuerpin erfordern. Diese Schalter umfassen die A- und B-Anschlüsse, die zur Verfolgung von zwei verschiedenen Stromversorgungsschienen, VCCA bzw. VCCB, ausgelegt sind. Der LXS010x verfügt über einen niedrigen Bit-zu-Bit-Schlüssel, eine nicht bevorzugte Einschaltsequenzierung, eine maximale Signalrate von 24 MHz und integrierte 10-kΩ-Pull-up-Widerstände. Diese Wandler kommen bei der ASIC-Niederspannungspegelumsetzung, in Kameras, PDAs und Handys zum Einsatz.

Merkmale

  • Bietet Hochgeschwindigkeit mit einer Datenrate von 24 Mb/s für Push-Pull-Applikationen
  • Bietet Hochgeschwindigkeit mit einer Datenrate von 2 Mb/s für Open-Drain-Applikationen
  • Spannungsbereich von 1,65 V bis 3,6 V an Anschluss A und Spannungsbereich von 2,3 V bis 5,5 V an Anschluss B
  • VCCA muss kleiner oder gleich VCCB sein.
  • Kein Signal zur Richtungssteuerung erforderlich
  • Geringer Bit-zu-Bit-Versatz
  • Keine Einschaltpräferenz-Sequenzierung
  • Bleifrei
  • RoHS-konform
  • Ideal für automatische Applikationen, die eine spezielle elektrische Ladungskontrolle erfordern.
  • Gehäuse:
    • LXS0104:
      • 14-Pin, TSSOP (L)
      • 14-Pin, 3,5 mm x 3,5 mm, TQFN (ZB)
      • 12-Pin, 1,7 mm x 2,0 mm, XQFN (ZMA)
      • 12-Pin, 1,87 mm x 1,37 mm, WLCSP (GAB)
    • LXS0102:
      • 8-DFM1 x 1,4 (HK)
      • 8-VSSOP V
      • 8-SSOP (SS)
      • 8-WLCSP (GBA)

Technische Daten

  • Integrierte 10 kΩ-Pull-up-Widerstände
  • Maximale Signalrate: 24 MHz
  • -40 °C bis 85 °C Betriebstemperaturbereich
  • 45 mA kontinuierlicher Ausgangsstrom, I/O

Applikationen

  • I2C, SMBus und MDIO
  • ASIC-Niederspannungspegelumsetzung
  • Handys, PDAs und Kameras

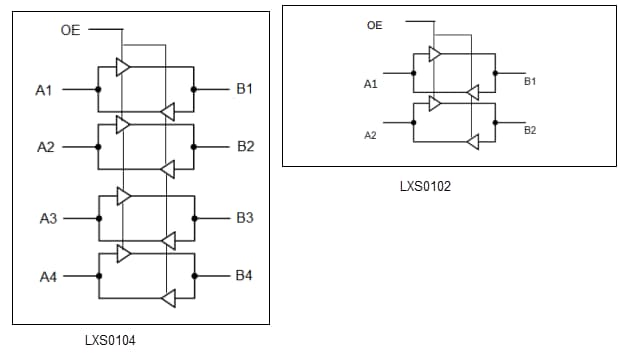
Blockdiagramme

Blockdiagramm - Diodes Incorporated Bidirektionale Pegelwandler des Typs LXS010x
Veröffentlichungsdatum: 2024-06-12 | Aktualisiert: 2024-07-22