Diodes Incorporated PI2DBS16212A 2:1-Multiplexer-/Demultiplexer-Schalter mit 20 GBit/s

Der Diodes Incorporated PI2DBS16212A 2:1-Multiplexer-/Demultiplexer-Schalter mit 20 GBit/s ist ein generischer passiver Hochgeschwindigkeits-Multiplexer/-Demultiplexer. Die Konfiguration besteht aus 4 bis 2 Differential-Kanälen mit einer Datenrate von bis zu 20 GBit/s. Basierend auf einer einzigartigen Designtechnik werden die dynamischen elektrischen Eigenschaften des Bauteils optimiert, wie z. B. geringe Einfügungsdämpfung, geringer Nebensignaleffekt und geringe Rückflussdämpfung. Die PI2DBS16212A von Diodes Incorporated ermöglicht eine Hochgeschwindigkeits-Signalschaltung mit minimaler Dämpfung und eignet sich für mehrere Signalarten, wie z. B. PCIe4.0, USB3.2 Gen1, USB3.2 Gen2, 10GE, Thunderbolt 4, SAS3.0 und SATA3.0 Signale.

Merkmale

  • 2 Differentialkanäle, 2:1-Multiplexer/Demultiplexer
  • Unterstützung von Datenraten von bis zu 20 GBit/s
  • Bidirektionaler Betrieb
  • -3 dB´Bandbreite: 14 GHz
  • Geringer Bit-zu-Bit-Versatz von 3 ps
  • Geringe Einfügungsdämpfung (-0,94 dB bei 5 GHz, -1,16 dB bei 8 GHz, -1,25 dB bei 10 GHz)
  • Geringer Kanal-zu-Kanal-Versatz von 20 ps
  • Rückflussdämpfung (-20 dB bei 5 GHz, -14,7 dB bei 8 GHz, -12 dB bei 10 GHz)
  • Geringer Stromverbrauch: 200 µA (typisch)
  • Versorgungsspannung: 1,8 V ±10 %
  • Industrietemperaturbereich: -40 °C bis +85 °C
  • Bleifrei und vollständig RoHS-konform
  • Halogen- und antimonfreies umweltfreundliches Bauteil

Applikationen

  • Bis zu 20 GBit/s für Applikationen, einschließlich USB 3.2 Gen1, USB 3.2 Gen2, 10GE, Thunderbolt 4, SAS 3.0 und SATA 3.0

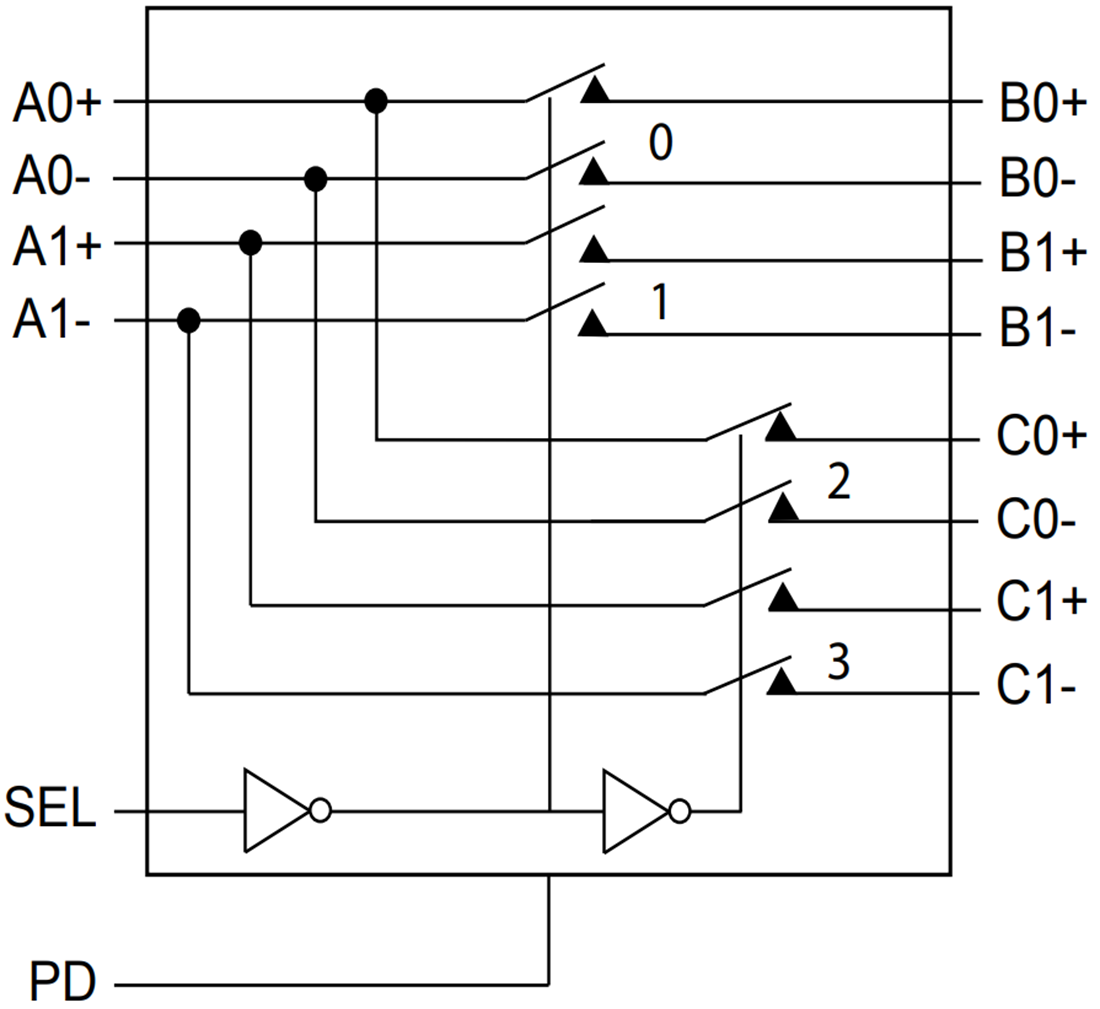
Blockdiagramm

Blockdiagramm - Diodes Incorporated PI2DBS16212A 2:1-Multiplexer-/Demultiplexer-Schalter mit 20 GBit/s
Veröffentlichungsdatum: 2021-06-01 | Aktualisiert: 2022-03-11