Diodes Incorporated PI3A6386 USB-Schalter
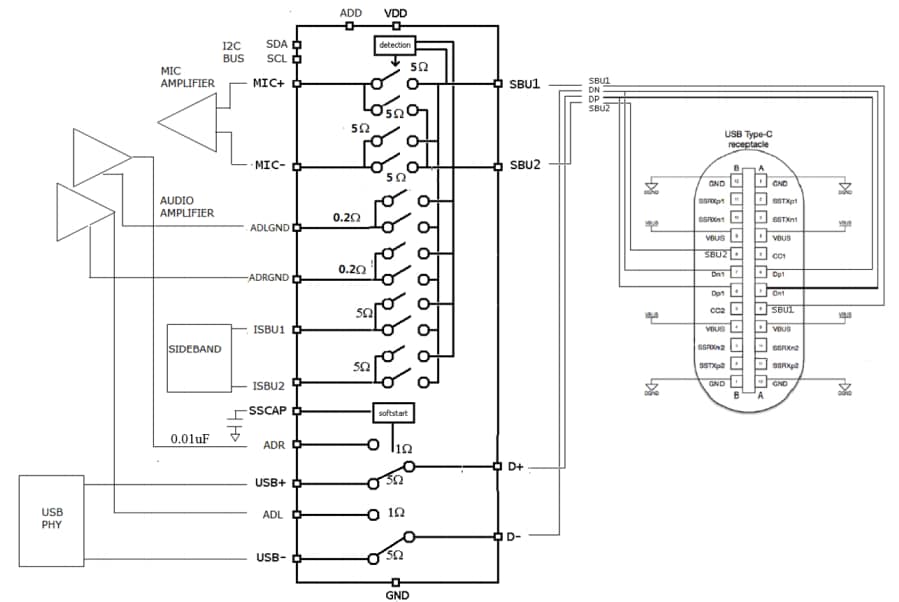
Der PI3A6386 USB-Schalter von Diodes Incorporated ist ein dualer Single-Pole-Double-Throw-(SPDT)-Schalter für das Hochgeschwindigkeits-USB-Signal und hochwertige Audio-Signal. Dieser Schalter kann in einer USB-Typ-C D-/D+-Schaltung für das USB-Signal im Datenmodus und das analoge Signale im Audiozubehörmodus verwendet werden. Der PI3A6386 Schalter verfügt über eine geringe Verzerrung, eine hohe Nebensignaleffektunterdrückung, eine autonome Mikrofon-Schaltung, separate Erdungsschalter für das Mikrofon und Audio zur Reduzierung des Nebensignaleffekts sowie Seitenband-Schalter. Zu den typischen Applikationen gehören Notebooks, PCs, Handys, PDAs, MP3-Player und tragbare Messgeräte.Merkmale
- USB-Schalter mit hoher Bandbreite (1 GHz) und niedrigem On-Widerstand (5 Ω)
- Audio-Schalter mit niedrigem On-Widerstand von 1 Ω
- Unterstützt USB-Hochgeschwindigkeits- (480 MBit/s) und Vollgeschwindigkeits- (12 MBit/s) Signalisierungsfähigkeit gemäß USB 2.0
- Unterstützt USB-Typ-C-Audiozubehörmodus gemäß der USB-Typ-C-Kabel- und Steckverbinder-Spezifikation 1.1
- Geringe Verzerrung (THD: -110 dB bei 20 Hz bis 20 kHz, 2,0 VRMS, 32 Ω Last)
- Negative Signalverarbeitungskapazität von ±3 V
- Programmierbare Soft-Start- und Soft-Stop-Zeit zur Verhinderung von Klick-/Knackgeräuschen in DC-gekoppelten Audiosignalen
- Hohe Off-Isolierung von -85 dB bei 30 kHz
- Hohe Nebensignaleffektunterdrückung von -85 dB bei 30 kHz
- Autonome Mikrofon- und Masseleitungs-Schaltung
- Separate Erdungsschalter für Mikrofon und Audio zur Reduzierung des Nebensignaleffekts
- Seitenband-Schalter
- I2C-Steuerung
- Großer VDD-Bereich: 1,7 V bis 5,5 V
- ESD von 4 kV für HBM-Modus, 1 kV für CDM-Modus
- Erweiterter Industrie-Temperaturbereich: -40 °C bis 85 °C
- Vollständig RoHS-konform und bleifrei
- Halogen- und antimonfrei
- TQFN-Gehäuse (3 mm x 3 mm)
Applikationen
- Notebook
- PC
- Handys
- PDAs
- MP3-Player
- Tragbare Messgeräte
Applikationsübersicht
Blockdiagramm
Typische Applikations-Schaltung
Weitere Ressourcen
Veröffentlichungsdatum: 2019-01-14
| Aktualisiert: 2023-07-11
