Diodes Incorporated ZXBM5408Q Treiber für Bürsten-DC-Motor mit Servosteuerung
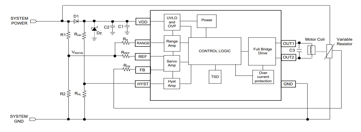
Der ZXBM5408Q Bürstenmotor-Treiber mit Servosteuerung von Diodes Incorporated ist ein geschützter H-Bridge-Treiber, der für die manuelle Scheinwerfersteuerung in der Automobilindustrie und für industrielle Servosteuerungsanwendungen mit Gleichstrom-Bürstenmotorlasten entwickelt wurde. Die integrierte Ausgangsstufe ZXBM5408Q besteht aus Hochstrom-H-Brücken-MOSFETs mit niedrigem RDS(on), um die Effizienz zu maximieren. Der Treiber integriert spannungs- und temperaturkompensierte interne Referenzen, Verstärker und Ausgangs-H-Brücken-Leistungsschalter mit niedrigem RDS(on). Diese Integration vereinfacht das Schaltungsdesign und minimiert die Anzahl externer Komponenten. Der ZXBM5408Q-Treiber bietet Flexibilität mit Servosteuerung in Vorwärts- und Rückwärtsrichtung, Hysterese, Totzone und Winkelverstärkung, die einfach über externe Widerstände programmiert werden können.Der Bürsten-Gleichstrom-Motortreiber ZXBM5408Q von Diodes Inc. bietet einen Schutz gegen Fehlerzustände, um die Motorspule zu schützen, z. B. bei einem Kurzschluss des RANGE-Eingangs gegen GND, einem Kurzschluss gegen die Versorgungsspannung oder einem Drahtbruch, indem der Motor angehalten und die Ausgangsstufe abgeschaltet wird.
Bei Unter- und Überspannung der Versorgungsspannung schaltet der ZXBM5408Q den Ausgangstreiber ab, um eine Überspannung der Spule zu vermeiden. Der Überstromschutz überwacht den Ausgangsstrom und schließt die Ausgangsstufe mit regelmäßigen Wiederholungen, um die Spule vor dem Durchbrennen zu schützen. Darüber hinaus ermöglicht die Übertemperaturabschaltung den thermischen Schutz des Treibers.
Der ZXBM5408Q ist in den Industriestandardgehäusen PDIP-8 (Typ A1) und SO-14 (Typ A1) untergebracht. Der Treiber ist AEC-Q100 Grade 1 konform, entspricht den Automotive-Anforderungen und unterstützt PPAPs.
Merkmale
- Servo - DC-Motorantrieb
- Großer Betriebsspannungsbereich: 8 V bis 18 V
- Integrierte H-Brücke mit niedrigem RDSON-Widerstand
- Ausgangsstromleistung von 0,8 A (Spitzenstrom von 1,5 A)
- Fehlerschutz-RANGE Kurzschluss gegen GND, Versorgung oder Leitungsbruch
- Über- und Unterspannungsabschaltung
- Überstromschutz
- Thermischer Schutz
- Green Molding in PDIP-8 (Typ A1) und SO-14 (Typ A1) Gehäusen
- Vollständig RoHs-konform und bleifrei
- Halogen-und antimonfreies umweltfreundliches Bauteil
Applikationen
- Automotive-Servomotor für Scheinwerferposition
- 8-V-/12-V-/18-V-Servo-DC-Motoren
Typische Applikation
Blockdiagramm
Pin-Belegungen
