Diodes Incorporated PI4IOE5V9554 8-Bit-IO-Expander
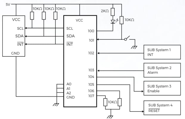
Der 8-Bit-IO-Expander PI4IOE5V9554 von Diodes Incorporated ist ein 16-poliges CMOS-Bauteil, das eine parallele 8-Bit-Universal-Ein-/Ausgangs-Erweiterung (GPIO) bietet. Dieser Expander enthält ein 8-Bit-Konfigurationsregister (Eingangs- oder Ausgangsauswahl) und ein 8-Bit-Eingangsanschlussregister. Darüber hinaus enthält der PI4IOE5V9554 ein 8-Bit-Ausgangsanschluss-Register und ein 8-Bit-Verpolungsregister (Active-HIGH- oder Active-LOW-Betrieb). Dieser Expander verfügt über eine hohe Antriebsleistung, eine 5-V-I/O-Toleranz, einen niedrigen Versorgungsstrom, eine individuelle I/O-Konfiguration, eine Taktfrequenz von 400 kHz und ein kleines Gehäuse. Der Expander PI4IOE5V9554 bietet einen Rauschfilter auf den SCL-/SDA-Eingängen, keine Störung beim Einschalten und ein internes Power-on-Reset. Dieser Expander bietet eine einfache Lösung, wenn zusätzliche I/Os für ACPI-Leistungsschalter, Sensoren, Drucktasten, LEDs und Lüfter benötigt werden.Merkmale
- 8-Bit-I2C-Bus-GPIO mit Unterbrechung und Reset
- 5-V-tolerante I/Os
- Verpolungsregister
- Aktiver LOW unterbricht den Strom
- Geringe Stromaufnahme
- Frequenzbereich: 0 Hz bis 400 kHz
- Rauschfilter an den SCL-/SDA-Eingängen
- Power-On-Reset
- ESD-Schutz (4 KV HBM und 1 KV CDM)
- Gehäuse
- SOIC-16
- TSSOP-16
- TQFN 3 x 3 - 16
- TQFN 4 x 4 - 16
Applikationen
- Server
- Netzwerke
- Telekommunikation
- Laptop
- TV
Blockdiagramm
Typisches Applikations-Schaltungsdiagramm
Weitere Ressourcen
Veröffentlichungsdatum: 2020-05-15
| Aktualisiert: 2024-07-31
