Diodes Incorporated PI3WVR13x12Z Multiplexer/Demultiplexer-Schalter
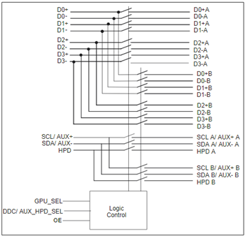
Die PI3WVR13x12Z Multiplexer-/Demultiplexer-Schalter von Diodes Inc./Pericom sind Multi-Standard-Videoschalter mit großer Spannungsbereichsleistung. Die PI3WVR13x12Z Schalter unterstützen den aufkommenden und proprietären Standard, 1.3/1.4 DisplayPort und 2.0 HDMI. Diese Schalter können Hochgeschwindigkeitssignale bis zu einem Spitze-zu-Spitze-Differential von 1,2 V mit einem Gleichtaktspannungsbereich von 0 V bis 3,4 V übertragen.Der große Spannungsbereich dieser PI3WVR13x12Z Schalter ermöglicht einen DC-gekoppelten Multi-Standard-Betrieb. Diese Schalter machen AC-Kopplungs-Kondensatoren überflüssig, sparen Platz auf dem Board und verbessern die Signalqualität für PCB-Designs mit hoher Dichte. Diese Schalter verfügen über vier Hochgeschwindigkeits-Lanes, Datenraten für Hochgeschwindigkeitskanäle von 8,1 GBit/s, eine Bandbreite von -3 dB und einen Betriebsbereich von 3,3 VVDD. Der PI3WVR13412Z Schalter ist in einem 42-Pin-TQFN-Gehäuse (ZHE) erhältlich während der PI3WVR13612Z Schalter in einem 52-Pin-TQFN-Gehäuse (ZL) untergebracht ist. Diese Multiplexer- oder Demultiplexer-Schalter eignen sich hervorragend für Monitore, Docking-Stationen, Grafikkarten, Desktop-PCs und Video-Displays.
Merkmale
- Kompatibel mit elektrischen Standards 1.3/1.4 DisplayPort und HDMI 2.0
- 4 Hochgeschwindigkeits-Lanes
- 1:2 und 2:1 Schalter, die RBR, HBR1, HBR2, und HBR3 unterstützen
- Datenrate von 8,1 GBit/s für Hochgeschwindigkeitskanäle
- Unterstützt DDC mit HPD-Kanal-Mux/Demux bei HDMI
- Unterstützt 720 MBit/s Hochgeschwindigkeits-DP-AUX bei DP
- -1,6 dB Einfügungsdämpfung für Hochgeschwindigkeitskanäle bei 4,05 GHz
- -3 dB Bandbreite
- -11 dB Rücklaufdämpfung für Hochgeschwindigkeitskanäle bei 4,05 GHz
- Geringer Crosstalk von -35 dB bei 4,05 GHz für Hochgeschwindigkeitskanäle
- Niedrige Off-Isolierung von -20 dB bei 4,05 GHz für Hochgeschwindigkeitskanäle
- Betriebsbereich von 3,3 V +/-10 % VDD
- 1,5 kV HBM-ESD-Toleranz
- Gehäuse (bleifrei und umweltfreundlich):
- PI3WVR13412Z 42-Pin-TQFN (ZHE)
- PI3WVR13612Z 52-Pin-TQFN (ZL)
Applikationen
- Monitore
- Docking-Stationen
- Grafikkarten
- All-in-One-PCs
- Desktop-PC
- Video-Displays
