e-peas AEM0094x Ambient Energy Management ICs
e-peas AEM0094x Ambient Energy Management Integrated Circuits (ICs) are regulated dual-output energy managers for source voltage level configuration with an optional primary battery. These devices extract DC power to simultaneously store energy in a rechargeable element and supply the system with two independent regulated voltages. The AEM0094x ICs are optimized for constant voltage PV cells, intermittent, and pulsed power with a 50mV to 5V input voltage range. These ICs feature up to 110mA current extracted from the harvester and integrate an ultra-low power boost converter to charge a storage element. The device automatically switches to the primary battery when the secondary battery is exhausted. Typical applications include door access systems, smart wearable sensors, smart switches in homes/buildings, and Point-of-Sales (POS).Features
- Cold start from 380mV input voltage and 3µW input power (typical)
- Constant input voltage regulation:
- Optimized for constant voltage PV cells, intermittent and pulsed power
- 50mV to 5V input voltage range
- 50mV to 4.5V selectable operating input voltage regulation
- Up to 110mA current extracted from the harvester
- Integrated 1.2V/1.8V LDO regulator:
- Up to 20mA load current
- Dynamically power-gated by external control
- Selectable output voltage
- Integrated 1.8V to 4.1V LDO regulator:
- Up to 80mA load current with 300mV drop-out
- Dynamically power-gated by external control
- Selectable or adjustable output voltage
- Flexible energy storage management:
- Selectable or adjustable overcharge and over-discharge protection for any type of rechargeable battery or (super)capacitor
- Fast supercapacitor charging
- Indication when the battery is running low
- Indication when output voltage regulators are available
- Automatic switching to the primary battery when the secondary battery is exhausted
Applications
- Door access systems
- Smart wearable sensors
- Smart switches home/building
- Point-of-Sales (POS)
Functional Block Diagram
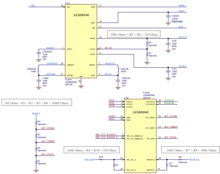
Schematic Diagram
Veröffentlichungsdatum: 2025-02-03
| Aktualisiert: 2025-03-18
