E-Switch KAG Series DIP Switches
E-Switch KAG Series DIP Switches offer reliability and versatility with a low-profile design, gold contacts, and up to 12 positions. These gullwing (SMT) switches are available with an SPDT contact arrangement for each position and all poles in the "off" position. The series features an electrical rating of 100mA at 50VDC for non-switching and 25mA at 24VDC for switching. Each circuit offers a life expectancy of 1000 cycles with 0.9mm of travel, and actuators include extended or recessed with an optional top tape seal. E-Switch KAG Series DIP Switches have an operating and storage temperature range of -40°C to +105°C. Ideal applications include audio / visual, medical equipment, computer peripherals, consumer electronics, telecommunications, and instrumentation.Features
- Gullwing (SMT) termination option
- Low profile
- Tube or tape-and-reel packaging options
- Recessed actuator available with top tape seal option
- Gold contacts
- Switches are supplied with all poles in "off" position
- SPDT contact arrangement for each position
- RoHS compliant
Applications
- Audio / visual
- Medical equipment
- Computer peripherals
- Consumer electronics
- Telecommunications
- Instrumentation
Specifications
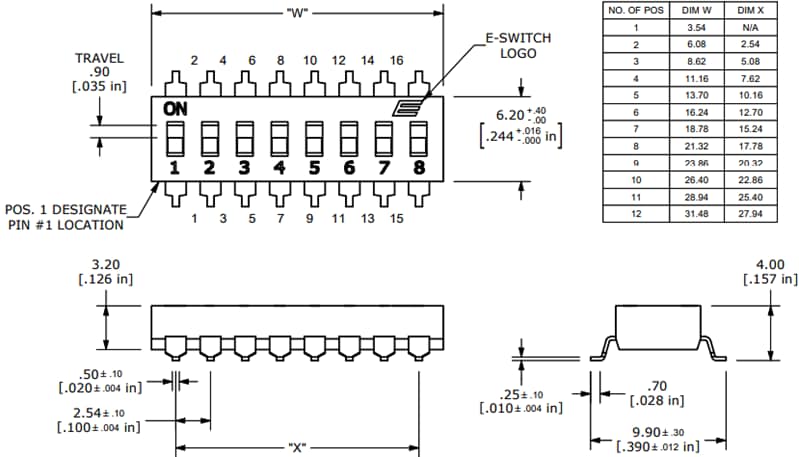
- 1, 2, 3, 4, 5, 6, 7, 8, 9, 10, 11, or 12 positions
- 0.9mm travel in each direction
- Electrical rating
- 100mA at 50VDC non-switching
- 25mA at 24VDC switching
- 50mΩ maximum contact resistance
- 100MΩ minimum insulation resistance at 500VDC
- 500VAC dielectric strength for 1 minute
- 1000-cycle life expectancy for each circuit
- -40°C to +105°C operating and storage temperature range
Videos
Schematic
Surface-Mount PCB Layout
Dimensions
Veröffentlichungsdatum: 2023-12-14
| Aktualisiert: 2024-05-08
