ECS ECS-2520SMVQ SMD Multi Volt™ HCMOS Oscillators

ECS ECS-2520SMVQ SMD Multi Volt™ High-speed Complementary Metal Oxide Semiconductor (HCMOS) Oscillators are AEC-Q200 qualified crystal oscillators. The oscillators feature a 2.5mm x 2mm ceramic package, which is ideal for automotive, industrial, and Internet of Things (IoT) applications. The ECS ECS-2520SMVQ SMD Multi Volt HCMOS Oscillators offer an extended -40°C to +105°C operating temperature range, a wide 1.62V to 3.63V supply voltage range, and a ±20ppm tight frequency stability. The oscillators are RoHS compliant and compatible with 1.8V, 2.5V, or 3.3V power supplies.

Features

  • HCMOS Oscillators
  • Multi Volt capability
  • AEC-Q200 qualified
  • Extended temperature range
  • 2.5mm x 2mm x 1mm ceramic package
  • Wide supply voltage range
  • Tight stability
  • RoHS compliant

Applications

  • Automotive
  • Industrial
  • IoT

Specifications

  • 8MHz to 60,000MHz frequency range
  • 1.62V to 3.63V supply voltage range
  • ±20ppm frequency stability
  • 15pF output load
  • 3nS rise and fall time
  • 10ms start-up time
  • 0.5pS max phase jitter at 12kHz to 20MHz
  • 10mA max input current
  • 10μA standby current rating
  • -40°C to +105°C operating temperature range
  • -55°C to +125°C storage temperature range

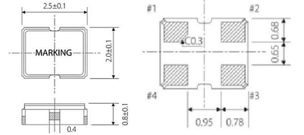
Dimensions (mm)

Chart - ECS ECS-2520SMVQ SMD Multi Volt™ HCMOS Oscillators
Veröffentlichungsdatum: 2024-03-05 | Aktualisiert: 2024-03-19